EasyManua.ls Logo

Hypertherm HyPerformance HPR400XD Auto Gas - Page 291

Hypertherm HyPerformance HPR400XD Auto Gas
355 pages
Print Icon
To Next Page IconTo Next Page
To Next Page IconTo Next Page
To Previous Page IconTo Previous Page
To Previous Page IconTo Previous Page
Loading...
7-8
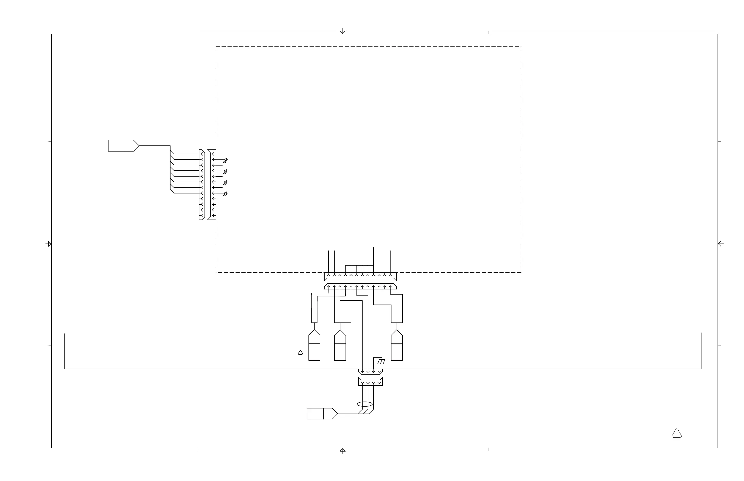
J2.3
J3
21 3 4 5 6 1110987 12
120VAC RTN
POWER DISTRIBUTION
PCB2
041802
+
+
PA RELAY
D2 PA RELAY
D1 CONTACTOR
CONTACTOR
WHT
WHT
BLU
BLU
RED/BLK
RED
CONTACTOR
MARKING SURGE RELAY
12
10
11
9
7
8
6
4
5
3
J2.5 J5
1
2
+
D5 HV XFMR
HV XFMR
+
D7 MARKING SURGE RELAY
MARKING SURGE RELAY
WHT
BLU
BLU
WHT
RED/BLK
RED/BLK
RED/BLK
RED
RED
RED
PILOT ARC RELAY
HF TRANSFORMER
4
3
2
1
CABLE: 123670
A
B
C
4
3 2
D
4
3 2
1
A
B
C
1
D
SHEET
5-D1
Y
SHEET
2-D1
M
SHEET
2-D1
N
SHEET
2-C4
AD
SHEET
18-D3
AC
F
ELEC SCH:HPR400XD POWER SUPPLY W/AUTO
F
013374
SHEET 4 OF 24

Table of Contents

Related product manuals