EasyManua.ls Logo

Hypertherm HyPerformance HPR400XD Auto Gas - Page 292

Hypertherm HyPerformance HPR400XD Auto Gas
355 pages
Print Icon
To Next Page IconTo Next Page
To Next Page IconTo Next Page
To Previous Page IconTo Previous Page
To Previous Page IconTo Previous Page
Loading...
7-9
A
4
3
B
2
1
A
B
C
D
4
3
C
2 1
D
J303A
POWER SUPPLY CONTROL
141030
PCB3
WHT
BLU
1 20 2 21 3 22 4 23 5 24 6 25 7 26 8 27 9 28 10 29 1130 12 351634153314321331 183617 1937
MOTION 1-E
MOTION 1-C
RDERR-E
RDERR-C
CORNER CURRENT-
CORNER CURRENT+
PIERCE-
PIERCE+
HOLD-
HOLD+
START-
START+
CNC +24V
PWR GND
CNC INTERFACE
1
7
8
4
6
5
3
2
J307
+24V
CONTACTOR
PA RELAY
21
J301
+24V
CNC +24V
HF
PWM DRV D
14
13
12
10
11
9
PWM DRV B
PWM DRV A
+5V
7
8
6
4
5
3
J3.302
J302
1
2
PWM DRV C
D320 CONTACTOR
D321 PA RELAY
D323 MARKING SURGE RELAY
D322 HF
D317 SPARE
D316 PA ENABLE
D324 PHASE LOSS
D310 RD ERROR
D329 PMD OK\
D328 OVERPRESSURE
D312 HOLD IGNITION INPUT
D313 CNC PIERCE COMPLETE INPUT
D315 PLASMA START INPUT
D314 CNC CORNER CURRENT INPUT
D335 CONTACTOR
D107 +5V
WHT
BLU
WHT
BLU
1 20 2 21 3 22 4 23 5 24 6 25 7 26 8 27 9 28 10 29 113012 351634153314321331 183617 1937
123887
BLK
RED
SPARE-C
SPARE-E
SHLD
SHLD
BLK
RED
SHLD
BLK
RED
SHLD
BLK
RED
J3.307
MARKING SURGE RELAY
PA-C
PA-E
PHASE LOSS
J3.308
3
6
5
4
2
1
J308
BLK
RED
WHT
BLU
PHASE LOSS
PILOT ARC ENABLE
BLU
WHT
MOTION 2-C
MOTION 2-E
MOTION 3-C
MOTION 3-E
MOTION 4-C
MOTION 4-E
ERROR-E
ERROR-C
NOT READY-C
NOT READY-E
1 62 3 4 5 87
TX-
RX-
TX+
RX+
J305 A&B
RX37-
RX37+
TX37-
TX37+
J10 4
21
J105
1 2
TX9+
RX9-
TX9-
RX9+
R127
R129
121 OHMS
121 OHMS
14
13
J3.202
12
11
10
9
8
7
5
6
4
2
3
1
J202
15
16
FA+3.3V
CHOPPER A TEMP SENSOR
CHOPPER B TEMP SENSOR
CHOPPER C TEMP SENSOR
CHOPPER D TEMP SENSOR
TRANSFORMER TEMP SENSOR
RED
BLK
RED
BLK
RED
BLK
RED
BLK
BLU
WHT
J304
CLR
CLR
CLR
CLR
D108 +3.3V
D110 TXLED
D111 RXLED
D308 MOTION
D311 NOT READY
D309 ERROR
J3.105 J3.104
RS422
GND
SHEET
2-A3
C
SHEET
2-A1
K
SHEET
3-D1
T
SHEET
4-C4
Y
SHEET
2-A3
D
SHEET
2-A4
Z
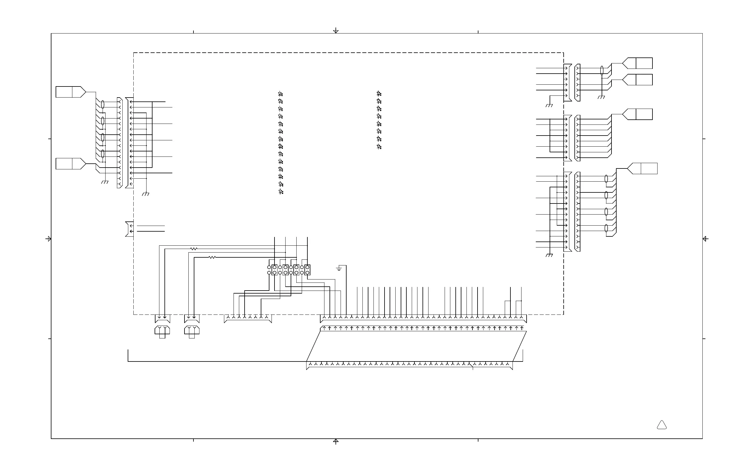
ELEC SCH:HPR400XD POWER SUPPLY W/AUTO
F
013374
SHEET 5 OF 24

Table of Contents

Related product manuals