EasyManua.ls Logo

Icom IC-718

Icom IC-718
206 pages
To Next Page IconTo Next Page
To Next Page IconTo Next Page
To Previous Page IconTo Previous Page
To Previous Page IconTo Previous Page
Loading...
18
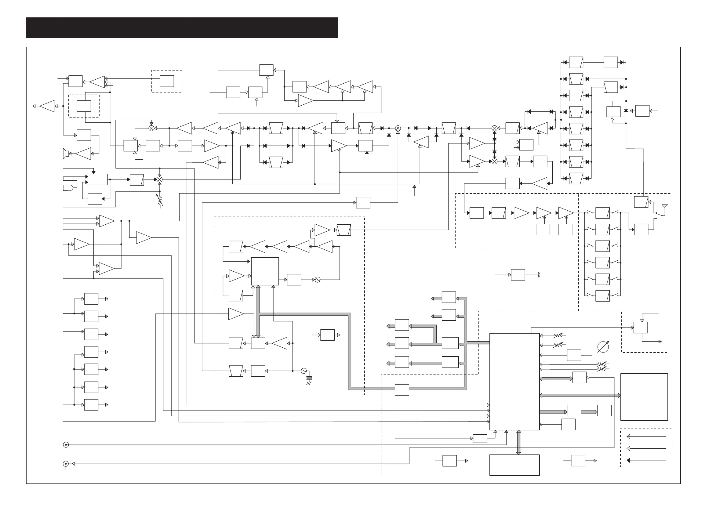
BLOCK DIAGRAM
Oct. 2007
MAIN UNIT
Q1508 2SC4081
Q1509 DTA114
AFGV
TO MIC
IC2702
TA7368F
D1901
1SS375
IC2001
TA4101
AF
SELECT
IC2101A
NJM2058
IC2801
TC4566
IC2901
LA4425
IC2701
M5282FP
SIDE TONE/BEEP
UT-102
OPTION
UT-106
OPTION
VCA
IC2102
TC4W53
AGC
NBS
D1501
1SS375
Q1506
FI611
FL-65
Q1603
3SK131
Q1602
2SK882
Q1601
2SC4081
D1803
1SS375
Q1805
2SC4081
SSB-N
RTTY-N
CW-N
USB, LSB, CW, RTTY
NB
LEVEL
Q1507
2SC4081
NBLV
DTC114
CW
KEYING
D401
HSB88WS
FI1301
CFW455HT
Q1501
2SK882
Q1502
2SK882
Q1503
2SK882
Q1504 2SC4081
Q1505 2SA1576
D1301 D1302
MA77×2
Q1301
3SK131
Q502
2SK882
PRES
Q1401, Q1402
2SK2171×2
PROS
Q1101, Q1102
Q1103, Q1104
2SK1740×4
Q201
2SC4673
Q1201
3SK131
FI301A, FI301B
FL-315
SW
IC3003
below 1.6 M
1.6–2 M
2–4 M
4–8 M
8–11 M
IC3005 TD62783
20 dB
A
TTS
RX
Q2,Q3
RD15HVF1×2
Q4,Q5
RD70HHF1×2
IC1
PC1678
FILTER UNIT
0.03–2.0 M
11–15 M
15–22 M
22–30 M
Q1
RD01MUS1
PA UNIT
Q101, Q102
3SK131×2
Q151
2SK882
KDS
Q501
DTC114
(OPTION)
FL-52A
FL-53A
FL222
IC1701D
NJM2058
CW
AM Carrier SET
Carrier
SET
SQL CONT
IC2201
UPC5023
IC2301
MC1496
IC1701A
NJM2058
ALC
DET
IC2351B
NJM2904
ANALOG
MASTER
MIC
ICH
ICL
KDS
MIGV
REF
FOR
POCV
IC1701B
NJM2058
IC1701C
NJM2058
IC1751A
NJM2904
DDS
PLL UNIT
Q29
2SC2714
Q32
2SC2714
Q30
2SC2714
IC6
SC-1246A
IC7
TC4SU69F
Q26
2SC2714
Q28
2SC2714
Q18 2SK508
64.485–97.455 MHz
1Lo
64.485–97.455 MHz
Q3601 2SD1664
IC2101D NJM2058
VCA,etc
IC3301
M62352
FANV
D2,D3
1SS375×2
D10,D11
DAN202U×2
D8,D9
DAN202U×2
15.0–22.0 M
22.0–30.0 M
2.0–4.0 M
4.0–8.0 M
8.0–15.0 M
TX
SW
HV
13V
A/D
MAIN
DIAL
RIT
AF VOL
SHIFT
A/D
A/D
A/D
IC40
TC7W32
WAVE
FORMER
CI-V
I/F
RF/SQL VOL
IC100
7W04
CPU
FRONT UNIT
IC1 HD6473834H
IC3006
BU4094
SERI
PA RA
SERI
PA RA
SERI
PA RA
IC3001
BU4094
IC3004
BU4094
MODE
DATA
BPF
LPF
+5
REG
13V
5V
IC1
TA7805
IC 3002
TD62783
IC3003
TD62783
IF FIL
IC3005
TD62783
Q9
2SC2714
IC2
SC-1287
BFO
DDS
Q11
2SC2714
Q35
2SC4081
R13
REG
R13V
T8V
R8V
IC3005
TD62783
IC3005
TD62783
IC3005
TD62783
T13V
T13
REG
Q3801 DTC114
Q3802 DTA114
Q1001 2SA1576
Q1002 DTC114EE
TXS
RXS
14V
FSKK
KEYJACK
–5V
PAT 8
8V
IC3005
TD62783
IC3501
UPC1555
Q10
2SC2714
2LO
PTT
X1
DATA
SW
IC104
TC7W32
CR-337
32.000 MHz
A/D
A/D
SMV
FOR
A/D
REF
HV
IC5
TA78L05
A/D
ALC
DATA
DS1
DISPLAY
POWER
SW
LCD
DRIVE
IC7
HD66100F
10KEY
EEPROM
13V
H5V
5V
IC6
TA7805
IC2 X25320S
AF
AMP
AF
AMP
AF
MUTE
PWR
AMP
MIC
ALC
AMP
ALC
AMP
ALC
AMP
T8
REG
R8
REG
+8
REG
PAT 8
REG
–5V
DC-DC
AM
DET
AGC
DET
BUFF
IF
AMP
AGC
AMP
METER
AMP
IF
AMP
UT-102
NB
SW
GATE
CTRL
NB
DET
NOISE
AMP
AGC
AMP
NOISE
AMP
NOISE
AMP
IF
AMP
IF
AMP
CERAMIC
BPF
XTAL
BPF
NB
GATE
CERAMIC
BPF
IF
AMP
XTAL
BPF
LO
AMP
IF
AMP
LPF
AT TBPF
PREAMP
SW
PRE
AMP
AT T
YGR
AMP
AT T
AT T
HPF
AT T
LPF
BPF
LPF
BPF
BPF
BPF
BPF
BPF
LPF
SWR
DET
LPF
LPF
LPF
LPF
LPF
LPF
PWR
AMP
BIAS BIAS
DRIVE
AMP
PRE
DRIVE
LPF
AT T
AT T
METER
AMP
LPF AMP
AMP AMP
BUFF
LO
AMP
BPF
LOOP
FIL
AMP
BUFF
BUFF
LPF
BPF
× 2
FAN
CTRL
BUFF
BUFF
BUFF
LCD
SEND
SW
+5
REG
+5
REG
D/A
COMMON LINE
TX LINE
RX LINE
LPF
IC2351A
NJM2904
LPF
REMOTE
RF GAIN
AM
Q1 DTC114
Q2 2SC4081

Table of Contents

Other manuals for Icom IC-718

Related product manuals