EasyManua.ls Logo

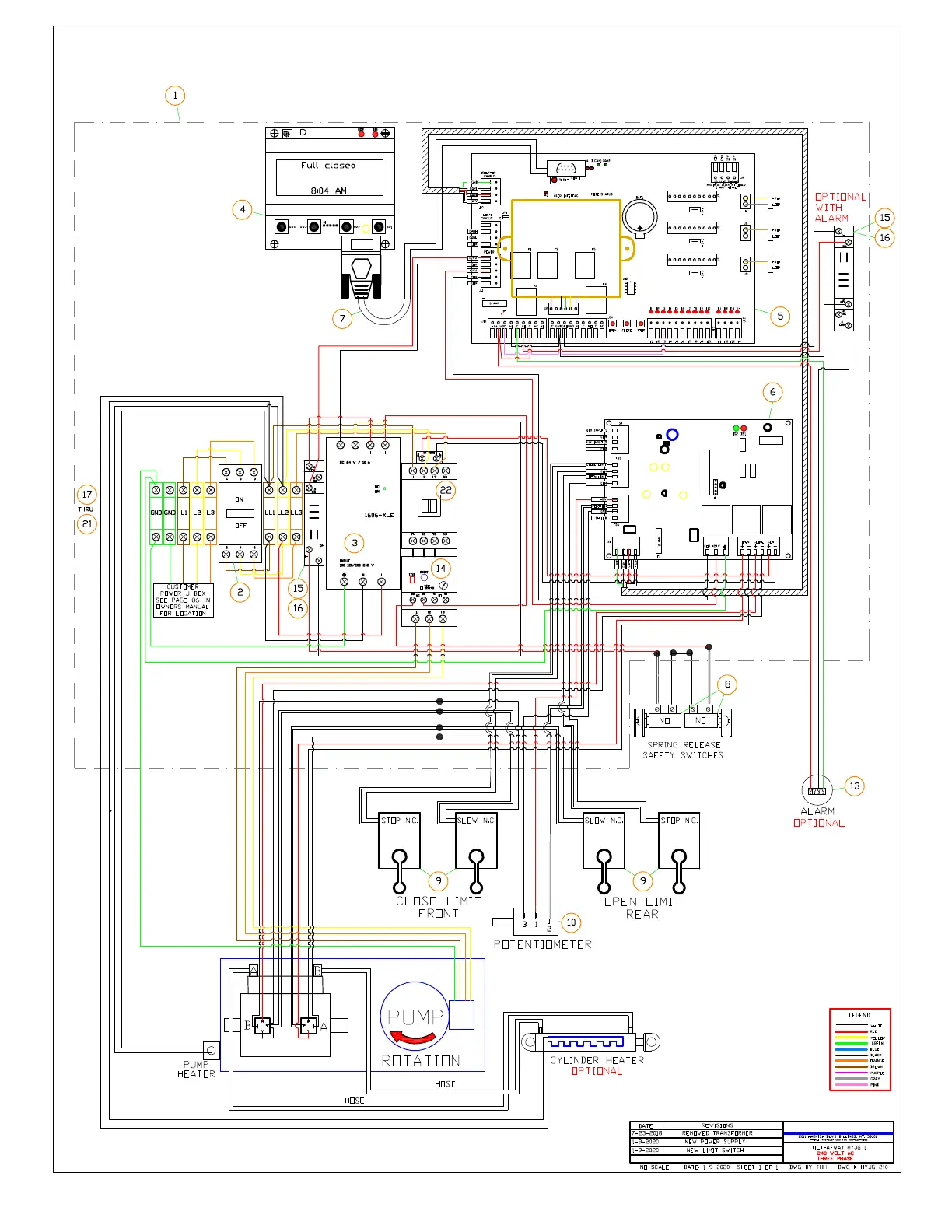
IDEAL TILT-A WAY HYJG 1 - 240 Volt Three Phase

IDEAL TILT-A WAY HYJG 1
131 pages
Print Icon
To Next Page IconTo Next Page
To Next Page IconTo Next Page
To Previous Page IconTo Previous Page
To Previous Page IconTo Previous Page
Loading...
UP
DOWN
ENT/MAIN
EXIT/SUB
ENT/SUB
SAVE
TILT-A-WAY HYJG 1
SINGLE GATE
240 VOLT THREE PHASE
IDEAL MANUFACTURING INC.
17

Table of Contents