EasyManua.ls Logo

IFM Electronic Efector110 - Page 20

IFM Electronic Efector110
Print Icon
To Next Page IconTo Next Page
To Next Page IconTo Next Page
To Previous Page IconTo Previous Page
To Previous Page IconTo Previous Page
Loading...
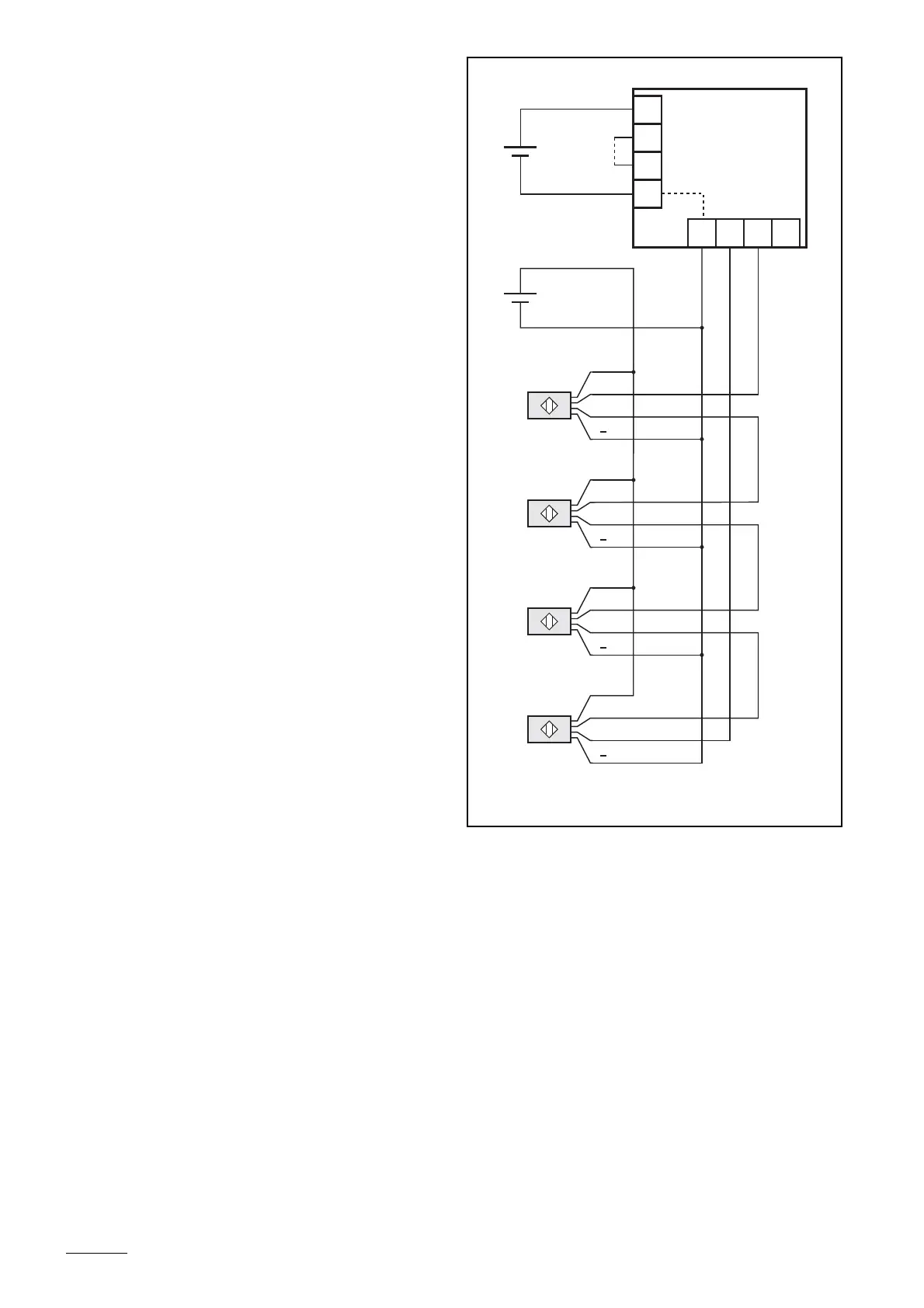
If the number of the GI5002 or GM503S
type fail-safe switches is even, the
jumper between pins P1/P2 must be
removed.
For the GM504S, GM505S, GG505S and
GI505S type switches which do not invert
the clock input signal from the evaluation
unit uninverted, programming of the
evaluation unit is always the same: Irre-
spective of the number of the connected
switches the jumper between pins
P1/P2 must be removed.
When combining fail-safe switches of
all stated types only the number of the
GI5002 and GM503S type switches is
decisive for programming the evaluation
unit. The number of the GM504S,
GM505S, GG505S and GI505S type fail-
safe switches can be ignored.
The fail-safe switches may only be
supplied via the evaluation unit if 1
fail-safe switch is connected per loca-
tion (terminal).
If more than 1 fail-safe switch per
location is connected, these must be
supplied separately.
Note:
The connections GND and L- are internally connected.
page 20
L- A TE L+
GND P1 P2 V+
L
+
TE
A
L
-
+
-
+
L
+
TE
A
L
L
+
TE
A
L
L
+
TE
A
L
jumper P1/P2
24 V (20,4...30 V)

Table of Contents