EasyManua.ls Logo

IFM Electronic Efector110 - Page 44

IFM Electronic Efector110
Print Icon
To Next Page IconTo Next Page
To Next Page IconTo Next Page
To Previous Page IconTo Previous Page
To Previous Page IconTo Previous Page
Loading...
Página 44
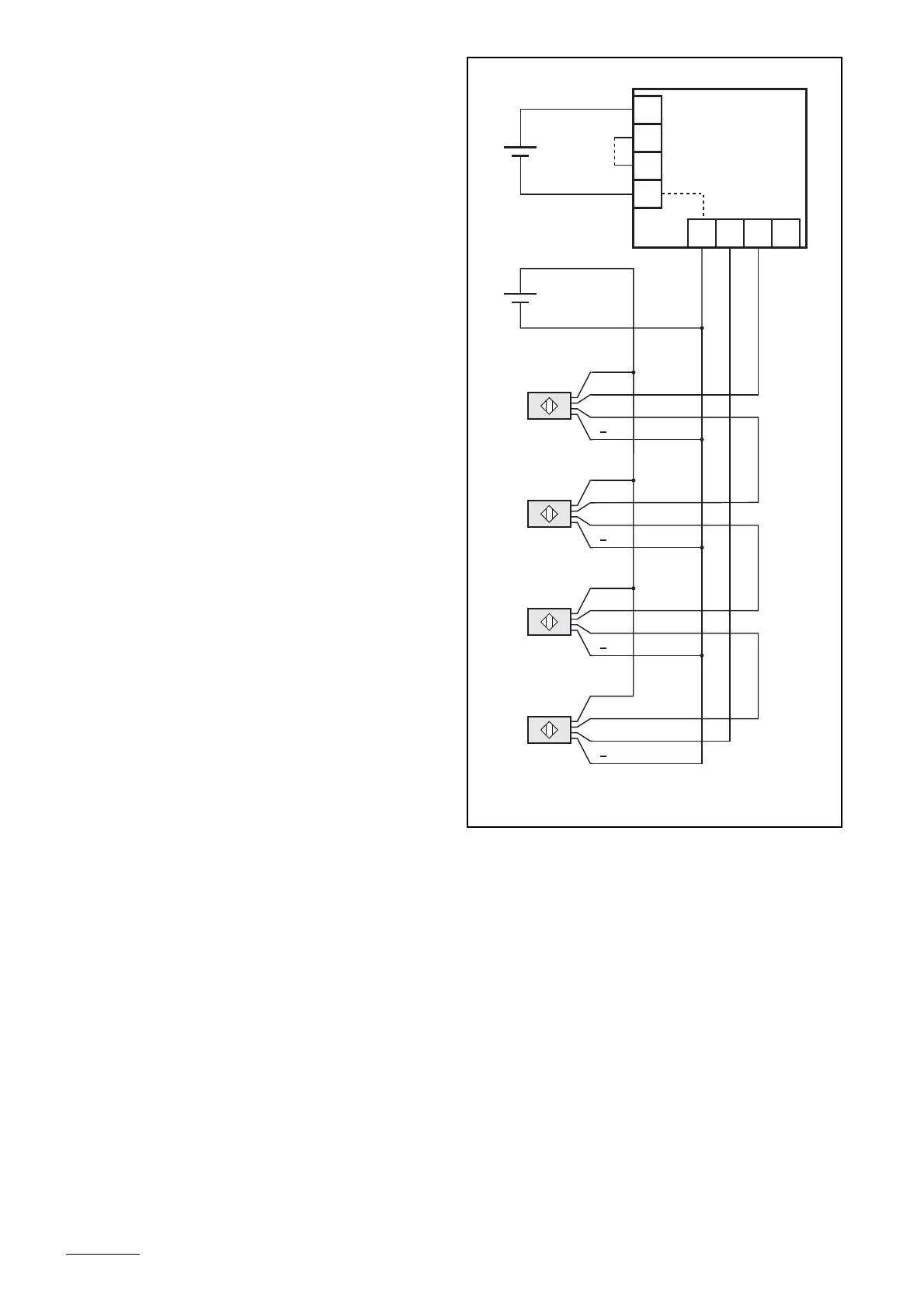
Con un número par de interruptores de
seguridad del tipo GI5002 o GM503S
debe retirarse el puente entre los pins
P1/P2.
En el caso de interruptores del tipo
GM504S, GM505S, GG505S y GI505S,
que transmiten sin inversión la señal de
entrada de reloj a la unidad de
evaluación, la programación de la unidad
de evaluación es siempre igual:
independientemente del número de
interruptores conectados debe retirarse
el puente entre los pins P1/P2.
En el caso de una mezcla de
interruptores de seguridad de todos
los tipos mencionados, para la
programación de la unidad de evaluación
sólo resulta determinante el número de
interruptores del tipo GI5002 y GM503S.
Es irrelevante el número de interruptores
de seguridad del tipo GM504S, GM505S,
GG505S y GI505S.
La alimentación de los interruptores
de seguridad mediante la unidad de
evaluación sólo puede hacerse si se
conecta 1 interruptor de seguridad
por enchufe.
En caso de conectar más de 1
interruptor de seguridad por enchufe
éstos deben alimentarse por separado.
Nota:
Las conexiones GND y L- están internamente conectadas.
L- A TE L+
GND P1 P2 V+
L
+
TE
A
L
-
+
-
+
L
+
TE
A
L
L
+
TE
A
L
L
+
TE
A
L
24 V (20,4...30 V)
Puente P1/P2

Table of Contents