EasyManua.ls Logo

IFM Electronic Efector110 - Page 56

IFM Electronic Efector110
Print Icon
To Next Page IconTo Next Page
To Next Page IconTo Next Page
To Previous Page IconTo Previous Page
To Previous Page IconTo Previous Page
Loading...
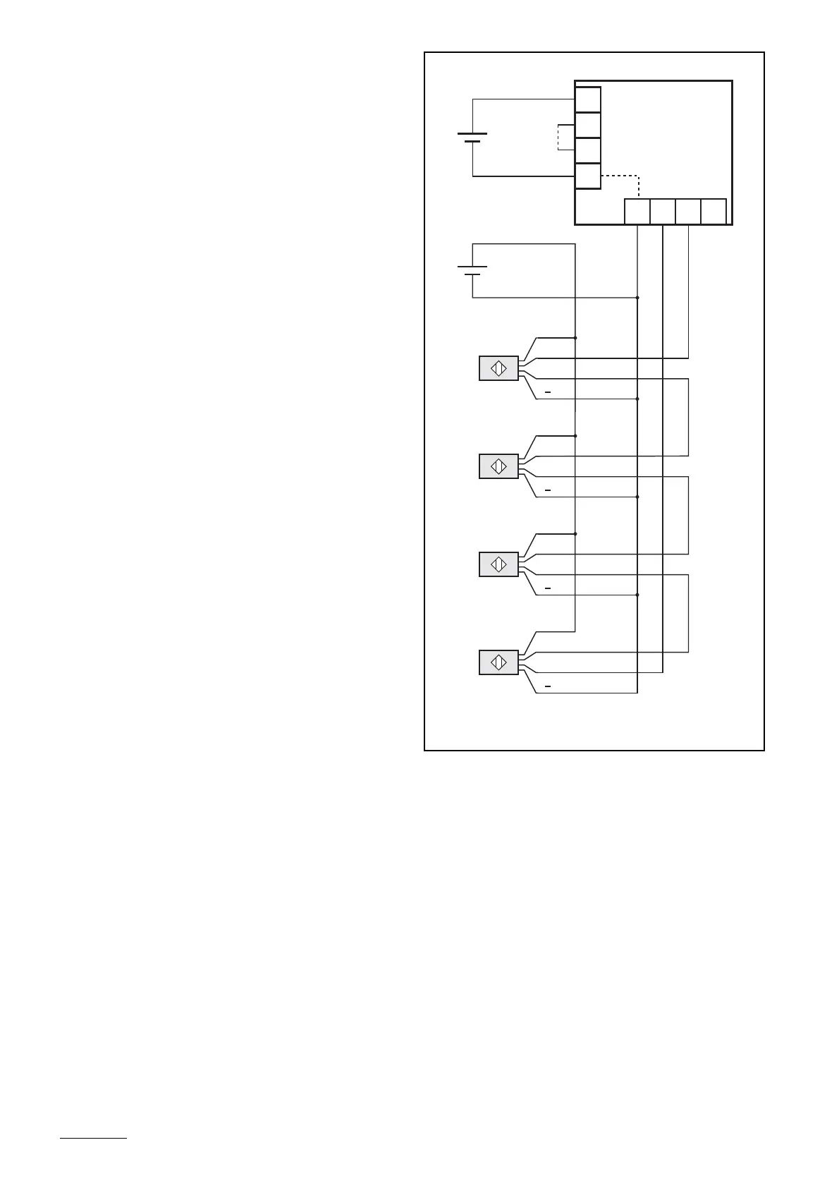
In presenza di un numero pari di sensori
di sicurezza del tipo GI5002 o GM503S,
lo shunt tra i pin P1/P2 deve essere
eliminato.
Per i sensori del tipo GM504S, GM505S,
GG505S e GI505S che trasmettono
l'impulso di temporizzazione d'ingresso
all'unità di controllo senza inversione, la
programmazione dell'unità di controllo
rimane la stessa: indipendentemente dal
numero di sensori collegati è necessario
eliminare lo shunt fra i pin P1/P2.
Se si utilizza un insieme di sensori di
sicurezza di tutti i tipi indicati, per la
programmazione dell'unità di controllo è
determinante solo il numero di sensori del
tipo GI5002 e GM503S. Il numero dei
sensori di sicurezza del tipo GM504S,
GM505S, GG505S e GI505S non è
importante.
L'alimentazione dei sensori di
sicurezza tramite l'unità di controllo
può avvenire solo se per ogni
connettore viene collegato 1 sensore di
sicurezza.
In caso di collegamento di più di 1
sensore di sicurezza per connettore,
l'alimentazione deve essere separata.
Osservazione:
I collegamenti GND e L- sono uniti internamente.
Pagina 56
L- A TE L+
GND P1 P2 V+
L
+
TE
A
L
-
+
-
+
L
+
TE
A
L
L
+
TE
A
L
L
+
TE
A
L
Shunt P1/P2
24 V (20,4...30 V)

Table of Contents