EasyManua.ls Logo

IFM Electronic Efector110 - Page 8

IFM Electronic Efector110
Print Icon
To Next Page IconTo Next Page
To Next Page IconTo Next Page
To Previous Page IconTo Previous Page
To Previous Page IconTo Previous Page
Loading...
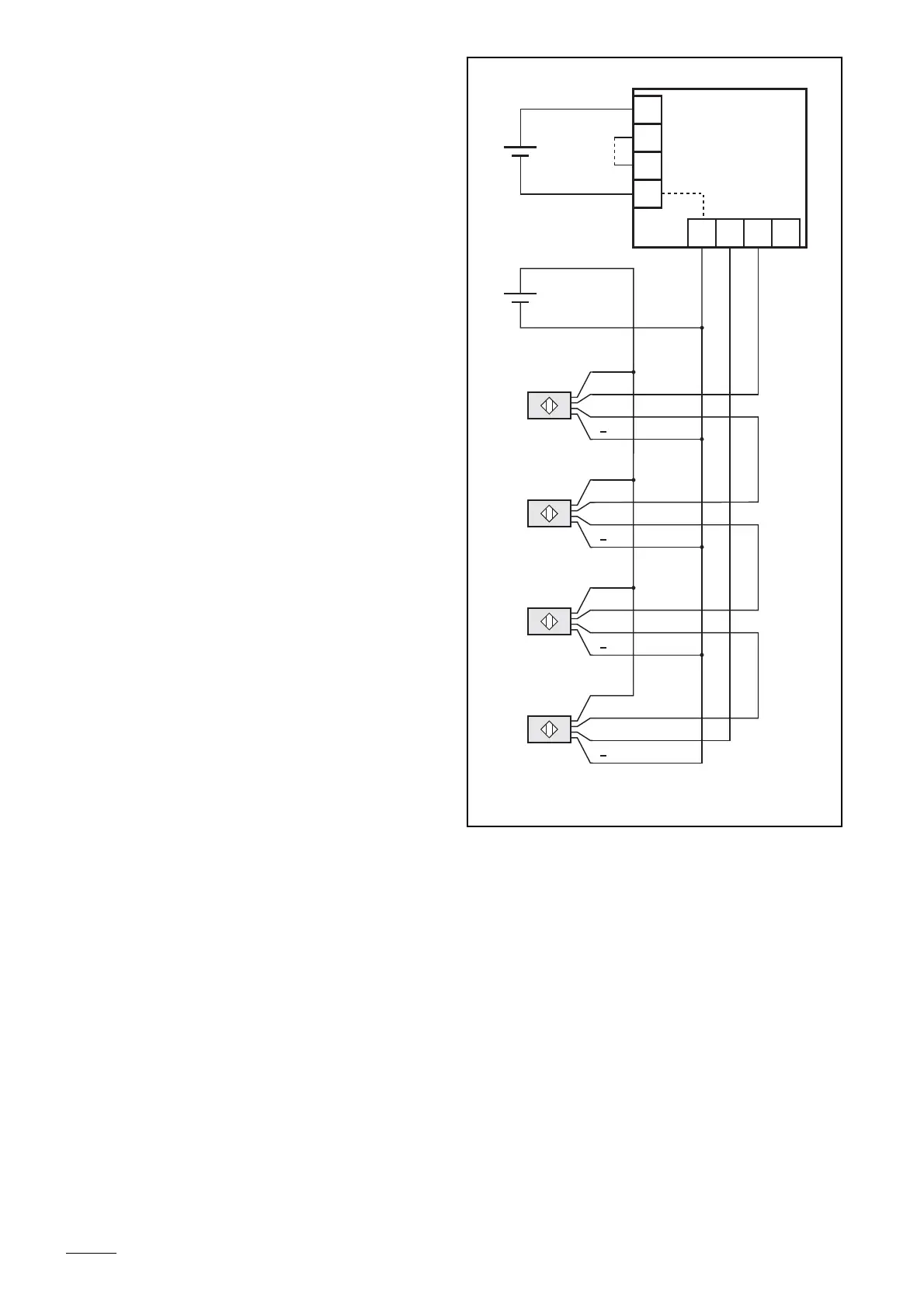
Bei einer geraden Anzahl von Sicher-
heitssensoren des Typs GI5002 oder
GM503S muss die Brücke zwischen den
Pins P1/P2 entfernt werden.
Bei den Sensoren des Typs GM504S,
GM505S, GG505S und GI505S, die das
Takteingangssignal der Auswerteeinheit
ohne Invertierung ausgeben, ist die Pro-
grammierung der Auswerteeinheit stets
gleich: Unabhängig von der Anzahl ange-
schlossener Sensoren muss die Brücke
zwischen den Pins P1/P2 entfernt
werden.
Bei einer Mischung von Sicherheits-
sensoren aller genannten Typen ist bei
der Programmierung der Auswerteeinheit
nur die Anzahl der Sensoren des Typs
GI5002 und GM503S ausschlaggebend.
Die Anzahl der Sicherheitssensoren des
Typs GM504S, GM505S, GG505S und
GI505S ist zu vernachlässigen.
Die Versorgung der Sicherheitssenso-
ren über die Auswerteeinheit darf nur
erfolgen, wenn pro Steckplatz 1 Sicher-
heitssensor angeschlossen wird.
Bei dem Anschluss von mehr als 1
Sicherheitssensor pro Steckplatz müs-
sen diese separat versorgt werden.
Hinweis:
Die Anschlüsse GND und L- sind intern verbunden.
Seite 8
L- A TE L+
GND P1 P2 V+
L
+
TE
A
L
-
+
-
+
L
+
TE
A
L
L
+
TE
A
L
L
+
TE
A
L
Brücke P1/P2
24 V (20,4...30 V)

Table of Contents