EasyManua.ls Logo

intervolt DCC Pro - Wiring Diagrams

intervolt DCC Pro
44 pages
Print Icon
To Next Page IconTo Next Page
To Next Page IconTo Next Page
To Previous Page IconTo Previous Page
To Previous Page IconTo Previous Page
Loading...
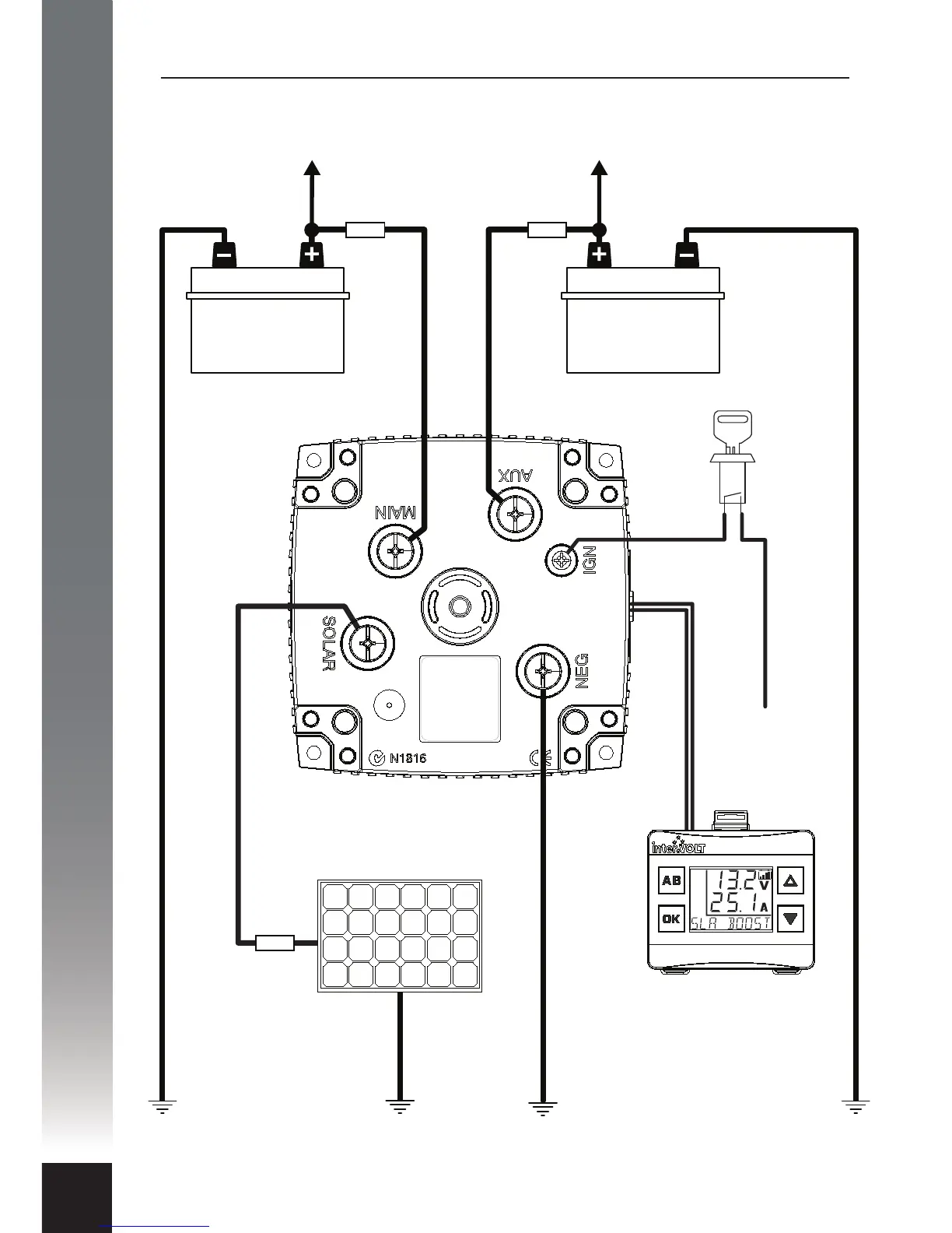
FUNDAMENTALS
10
interVOLT Model
DCC1225ACD
Battery to Battery
Charging Device
12VDC - 12VDC
25 Amps max.
+ IGNITION SWITCH SUPPLY
FUSE
12V
AUX
FUSE
12V
MAIN
FUSE
DCC DISPLAY
SOLAR
PANEL
OPTIONAL
IGNITION
SWITCH
TO AUXILIARY
EQUIPMENT
TO
ENGINE
Standard Wiring Diagram