EasyManua.ls Logo

intervolt DCC Pro - Wiring Using Two Charging Devices

intervolt DCC Pro
44 pages
Print Icon
To Next Page IconTo Next Page
To Next Page IconTo Next Page
To Previous Page IconTo Previous Page
To Previous Page IconTo Previous Page
Loading...
FUNDAMENTALS
11
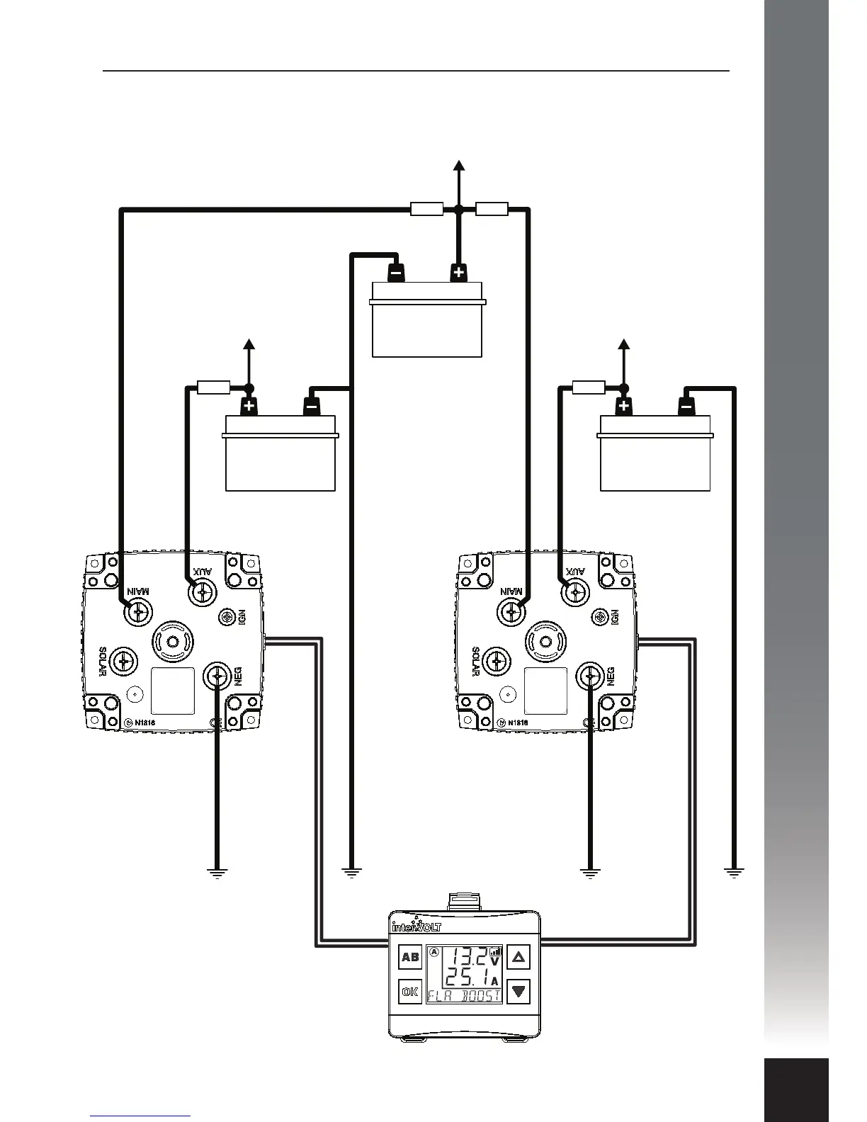
12V
AUX 2
FUSE
interVOLT Model
DCC1225ACD
Battery to Battery
Charging Device
12VDC - 12VDC
25 Amps max.
12V
AUX 1
FUSE
FUSE
interVOLT Model
DCC1225ACD
Battery to Battery
Charging Device
12VDC - 12VDC
25 Amps max.
12V
MAIN
FUSE
OK
DCC DISPLAY
DCC PRO ADCC PRO B
TO AUXILIARY
EQUIPMENT
TO
ENGINE
TO AUXILIARY
EQUIPMENT
Wiring using two Charging Devices