EasyManua.ls Logo

Iveco N67 MNA M15

Iveco N67 MNA M15
74 pages
To Next Page IconTo Next Page
To Next Page IconTo Next Page
To Previous Page IconTo Previous Page
To Previous Page IconTo Previous Page
Loading...
57
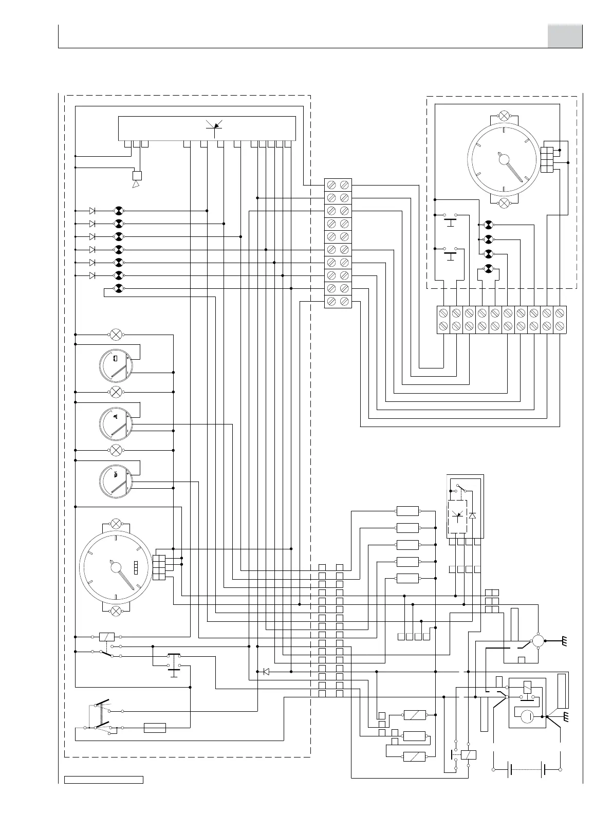
INSTALLATION DIRECTIVE
N45 MNA M10
N67 MNA M15
MAY 2006
M10.01/M15.01 Secondary analog instrument panel



!#
*#
#!
#'
6
10


¬



*"
''


-
 
7
$
"
n"
2,
--

*



8


# #

4!-/
¬!
&3
3!
 
¬ 
*#
*"
3)&!
33
3"0/
3!4!
3",!
3#0
336
!1
 
A




"!44¬--

"!44¬''

''
%#
7
6
)
4
+
*36
''
2,
#'



8


#3 !3
3!4!
3"0/
33
$
$¬
-!
-0
-&
13¬
3,!.+6'.6"
( -".36"6.!.!2
3
,
!.
6.
2.
+
6
'
.
6"
'2":+6.,'
( -".33.6.!.!2 :"+6.,'
n"!44¬--
*36
*&
*
+3"
)
)
Quadro fly N 100-150 AFAM

Related product manuals