EasyManua.ls Logo

Iveco N67 MNA M15

Iveco N67 MNA M15
74 pages
To Next Page IconTo Next Page
To Next Page IconTo Next Page
To Previous Page IconTo Previous Page
To Previous Page IconTo Previous Page
Loading...
58
INSTALLATION DIRECTIVE
N45 MNA M10
N67 MNA M15
MAY 2006
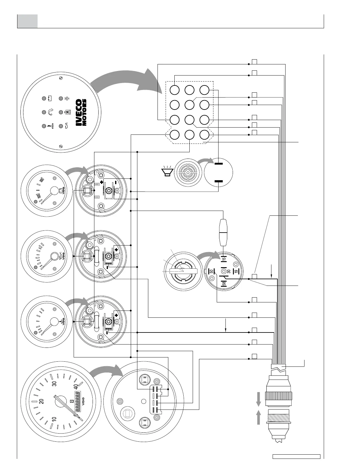
M10.01/M15.01 Wiring of a specific personalised instrument board with alarm
and signalling module
10 meter long
wire harness
Connections Identifying numbering
on each wire
JA Connector integrated in the rear part of
the indications and alarms module
1234
5678
min
X100
bar
psi
0
2
4
6
8
10
0
29
58
87
116
145
G
250
o
F
o
C
210175
105
120
100
40
80
VOLT
8
12
14
16
G
291 815 412 6 3
OFF
ON
START
167 10 5
FS (8A)
¬MM
¬MM
1
2
3
4
5
6
10
9 12
11
7
8
+
JB
Sk Quadro VDO MS

Related product manuals