EasyManua.ls Logo

JBL MS-8 - Page 84

JBL MS-8
110 pages
Print Icon
To Next Page IconTo Next Page
To Next Page IconTo Next Page
To Previous Page IconTo Previous Page
To Previous Page IconTo Previous Page
Loading...
2002 Apr 10 5
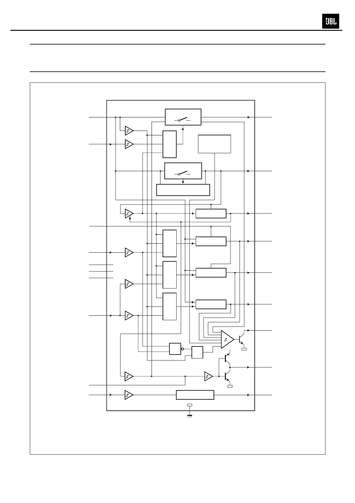
Philips Semiconductors Product specification
Multiple voltage regulator with switch and
ignition buffer
TDA3681
handbook, full pagewidth
MGU353
REGULATOR 2
REGULATOR 4
REGULATOR 1
16
13
4
+
TEMPERATURE
LOAD DUMP
PROTECTION
14
8
6
20
7
5
10
POWER SWITCH
BACKUP SWITCH
BACKUP CONTROL
&
&
&
&
OR
GND
(14.4 V)
TDA3681TH
RES
REG2
REG4
REG1
(14 V/
3 A)
(14 V/
100 mA)
(5 V/
300 mA)
(3.3 V/
1 A)
(8.5 V/
600 mA)
SW
V
P1
ENSW
EN4
11
HEATTAB
n.c.
n.c.
15
18
V
P2
EN1/3
C
RES
BU
HOLD
9
17
IGNITION BUFFER
2
IGN
OUT
IGN
IN
3
1
REGULATOR 3
&
REG3
(5 V/
1400 mA)
19
12
Fig.2 Block diagram of TDA3681TH.
MS-8
83

Table of Contents

Other manuals for JBL MS-8

Related product manuals