EasyManua.ls Logo

Johnson Controls Frick RXF 101 - Page 45

Johnson Controls Frick RXF 101
64 pages
Print Icon
To Next Page IconTo Next Page
To Next Page IconTo Next Page
To Previous Page IconTo Previous Page
To Previous Page IconTo Previous Page
Loading...
RXF ROTARY SCREW COMPRESSOR UNITS
MAINTENANCE
070.410-IOM (JAN 12)
Page 45
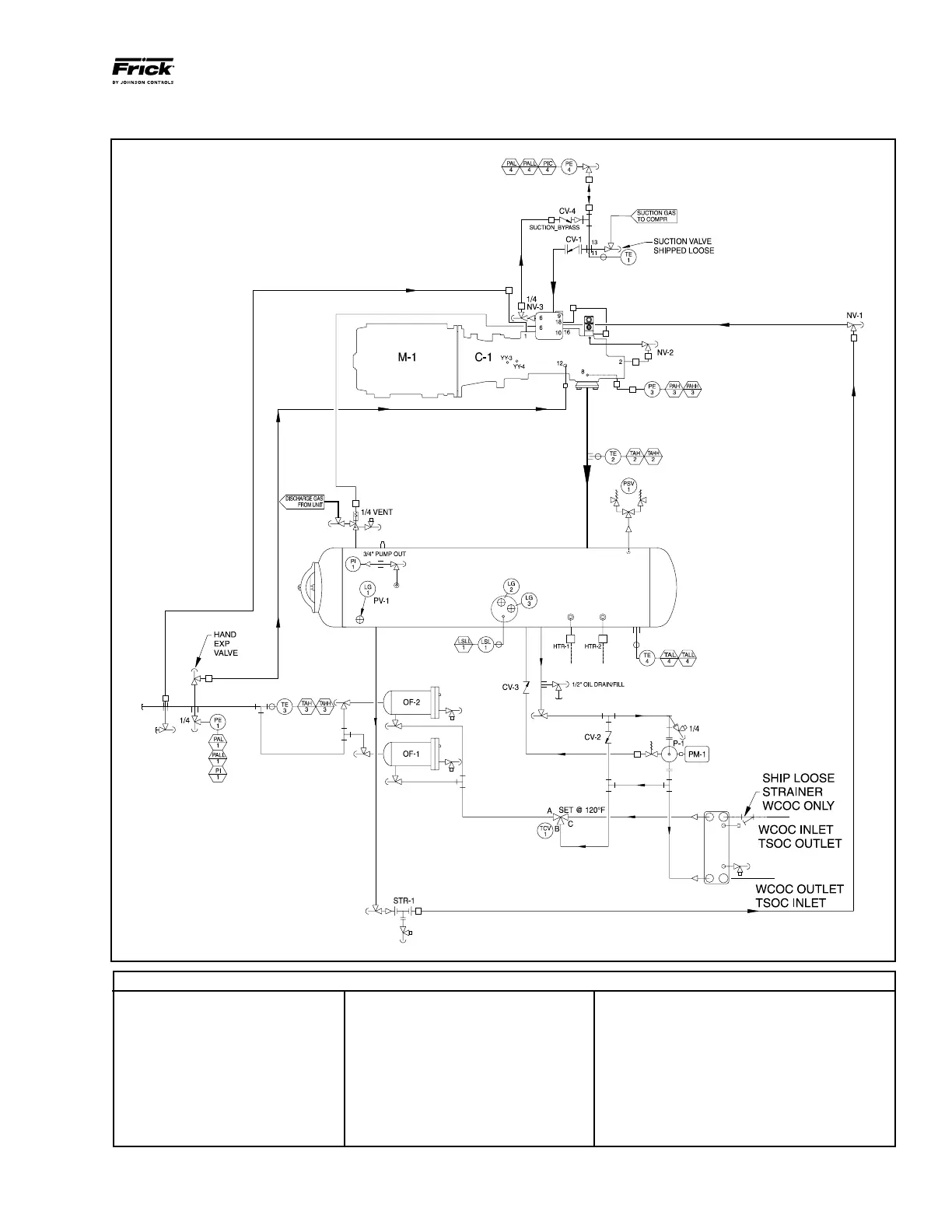
RXF Models 58, 68, 85, & 101 with OIL PUMP and DUAL OIL FILTERS (See OIL COOLING ADDITIONS)

CONNECTIONS
1 MAIN OIL SUPPLY
2 SLIDE VALVE PISTON
3 LOW VI LIQUID INJECTION
4 HIGH VI LIQUID INJECTION
5 ECONOMIZER
6 SUCTION PRESSURE
7 CLOSED THREAD
8 DISCHARGE PRESSURE
9 LIQ. INJ. BLEED LINE
10 COALESCER BLEED LINE
11 THERMOWELL (SUCT. TEMP.)
NOTES:
1. PRESSURE TRANSDUCERS INDICATE:
PE-1 OIL PRESSURE
PE-3 DISCHARGE PRESSURE
PE-4 SUCTION PRESSURE
2. TEMPRERATURE PROBES INDICATE:
TE-1 SUCTION GAS TEMPERATURE
TE-2 DISCHARGE GAS TEMPERATURE
TE-3 LUBE OIL TEMPERATURE
TE-4 SEPARATOR OIL TEMPERATURE
3. TERMINATIONS "A" THROUGH "C" REFER TO CONNEC-
TION POINTS FOR VARIOUS OPTIONS.
12 MAIN OIL INJECTION
13 SUCTION PRESSURE
14 SEAL WEEPAGE
15 ELECTRICAL CONNECTION
16 OIL PRESSURE

Table of Contents

Related product manuals