EasyManua.ls Logo

jost TriDec EF-S - System Components

jost TriDec EF-S
92 pages
Print Icon
To Next Page IconTo Next Page
To Next Page IconTo Next Page
To Previous Page IconTo Previous Page
To Previous Page IconTo Previous Page
Loading...
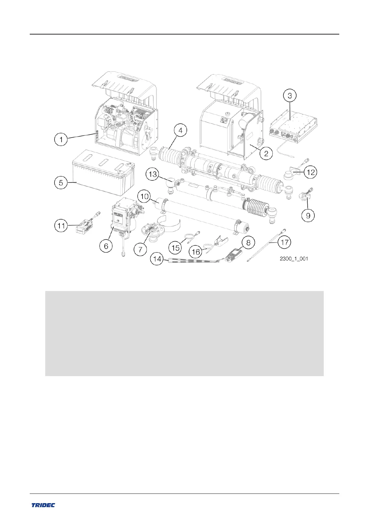
1.2 Components
The EF-S system consists of the following main components:
Figure 1-5
1. Generator box
2. Tank/filter box
3. Battery charger
4. Steering/centring cylinder
5. Battery
6. Hydraulic control unit
7. Kingpin with angle sensor
8. Remote control
9. Steering angle sensor
10. Accumulator
11. Bluetooth module
12. Signaal lamp
13. Stuur-/ centreercilinder SRE
14. Keycord
15. Synchronization cable
16. Holder
17. Charging cable remote control
Part no.: 162014 EN-1
6
Release 07/2020
User manual 2300 EF-S system

Related product manuals