EasyManua.ls Logo

JVC DR-E31BK - Connection Diagram

JVC DR-E31BK
54 pages
Print Icon
To Next Page IconTo Next Page
To Next Page IconTo Next Page
To Previous Page IconTo Previous Page
To Previous Page IconTo Previous Page
Loading...
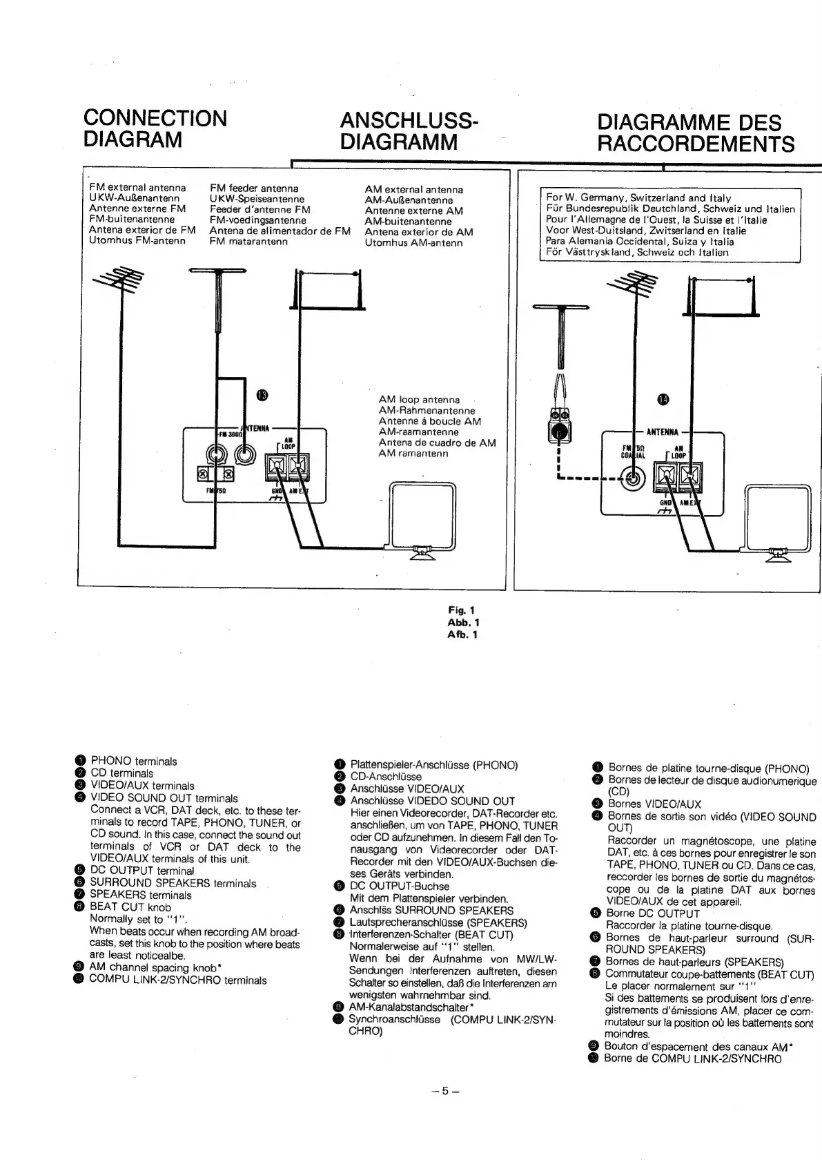
CONNECTION
DIAGRAM
FM
feeder
antenna
UKW-Speiseantenne
Feeder
d’antenne
FM
FM-voedingsantenne
FM
external
antenna
UKW-AuRenantenn
Antenne
externe
FM
FM-buitenantenne
Antena
exterior
de
FM
Antenadealimentadorde
FM
Antena
exterior
de
AM
Utomhus
FM-antenn
FM
matarantenn
@
PHONO
terminals
@
CD
terminals
©
VIDEO/AUX
terminals
©
VIDEO
SOUND
OUT
terminals
Connect
a
VCR,
DAT
deck,
etc.
to
these
ter-
minals
to
record
TAPE,
PHONO,
TUNER,
or
CD
sound.
In
this
case,
connect
the
sound
out
terminals
of
VCR
or
DAT
deck
to
the
VIDEO/AUX
terminals
of
this
unit.
@
DC
OUTPUT
terminal
@
SURROUND
SPEAKERS
terminals
@
SPEAKERS
terminals
@
BEAT
CUT
knob
Normally
set
to
1".
When
beats
occur
when
recording
AM
broad-
casts,
set
this
knob
to
the
position
where
beats
are
least
noticealbe.
©
AM
channel
spacing
knob*
@
COMPU
LINK-2/SYNCHRO
terminals
ANSCHLUSS-
DIAGRAMM
AM
external
antenna
AM-AuRenantenne
Antenne
externe
AM
AM-buitenantenne
Utomhus
AM-antenn
AM
loop
antenna
AM-Rahmenantenne
Antenne
a
boucle
AM
AM-raamantenne
Antena
de
cuadro
de
AM
AM
ramantenn
Fig.
1
Abb.
1
Afb.
1
@
Plattenspieler-Anschlisse
(PHONO)
@
CD-Anschliisse
©
Anschltisse
VIDEO/AUX
@
Anschitisse
VIDEDO
SOUND
OUT
Hier
einen
Videorecorder,
DAT-Recorder
etc.
anschlieBen,
um
von
TAPE,
PHONO,
TUNER
oder
CD
aufzunehmen.
In
diesem
Fall
den
To-
nausgang
von
Videorecorder
oder
DAT-
Recorder
mit
den
VIDEO/AUX-Buchsen
die-
ses
Gerats
verbinden.
OC
OUTPUT-Buchse
Mit
dem
Plattenspieler
verbinden.
@
Anschigs
SURROUND
SPEAKERS
@
Lautsprecheranschlitisse
(SPEAKERS)
Interferenzen-Schalter
(BEAT
CUT)
Normalerweise
auf
‘'1’’
stellen.
Wenn
bei
der
Aufnahme
von
MW/LW-
Sendungen
Interferenzen
auftreten,
diesen
Schalter
so
einstellen,
daB
die
Interferenzen
am
wenigsten
wahrnehmbar
sind.
@
AM-Kanalabstandschalter*
@
Synchroanschitisse
(COMPU
LINK-2/SYN-
CHRO)
DIAGRAMME
DES
RACCORDEMENTS
For
W.
Germany,
Switzerland
and
Italy
Fur
Bundesrepublik
Deutchland,
Schweiz
und
Italien
Pour
|’Allemagne
de
l'Ouest,
la
Suisse
et
’Italie
Voor
West-Duitstand,
Zwitserland
en
Italie
Para
Alemania
Occidental,
Suiza
y
Italia
Fér
Vasttrysk
land,
Schweiz
och
Italien
@
Bornes
de
platine
tourne-disque
(PHONO)
@
Bornes
de
lecteur
de
disque
audionumerique
(CD)
©
Bornes
VIDEO/AUX
©
Bornes
de
sortie
son
vidéo
(VIDEO
SOUND
OUT)
Raccorder
un
magnétoscope,
une
platine
DAT,
etc.
4
ces
bornes
pour
enregistrer
le
son
TAPE,
PHONO,
TUNER
ou
CD.
Dans
ce
cas,
reccorder
les
bornes
de
sortie
du
magnétos-
cope
ou
de
la
platine
DAT
aux
bornes
VIDEO/AUX
de
cet
appareil.
©
Borne
DC
OUTPUT
Raccorder
la
platine
tourne-disque.
@
Bornes
de
haut-parleur
surround
(SUR-
ROUND
SPEAKERS)
@
Bornes
de
haut-parleurs
(SPEAKERS)
©
Commutateur
coupe-battements
(BEAT
CUT)
Le
placer
normalement
sur
‘‘1"'
Si
des
battements
se
produisent
lors
d’enre-
gistrements
d’émissions
AM,
placer
ce
com-
mutateur
sur
la
position
ou
les
battements
sont
moindres,
©
Bouton
d’espacement
des
canaux
AM*
@
Borne
de
COMPU
LINK-2/SYNCHRO

Related product manuals