EasyManua.ls Logo

JVC GR-DVX8EG - Page 41

JVC GR-DVX8EG
119 pages
Print Icon
To Next Page IconTo Next Page
To Next Page IconTo Next Page
To Previous Page IconTo Previous Page
To Previous Page IconTo Previous Page
Loading...
ABCD E F G
1
2
3
4
5
SV
CN2
TERMINAL
PC123YS
CN1
1221304
8.45k
C36
0.22
C35
0.22
TP15
TP16
0.22
MAIN & TERMINAL
Q27
OPEN
R60
OPEN
SV
AC110
2200P
2200P
PC123YS
OPEN
OPEN OPEN
OPEN
OPEN OPEN
OPEN
R57
10
OPEN
OPEN
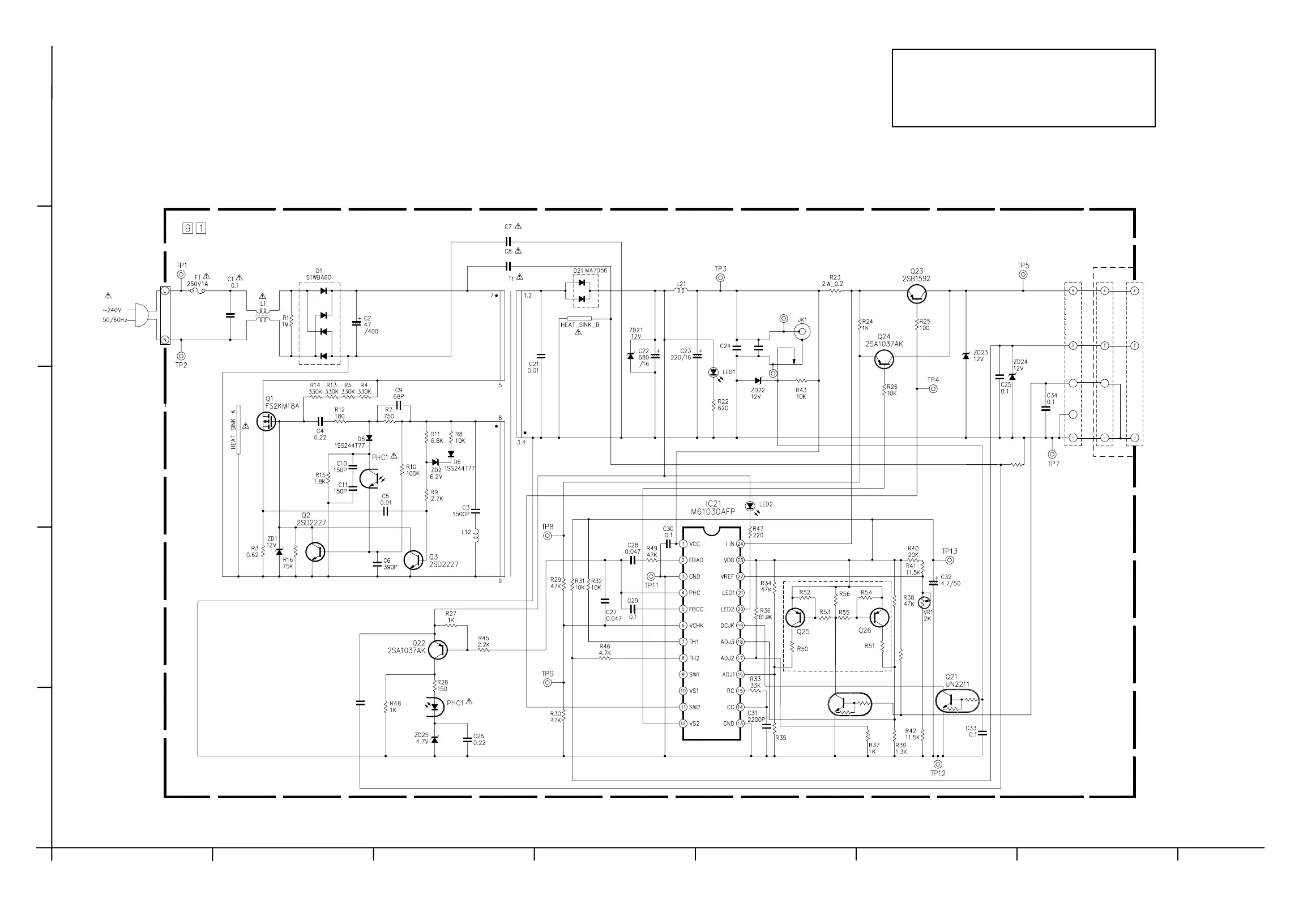
6.2 SCHEMATIC DIAGRAM
NOTE:
When ordering parts, be sure to order according to
the Part Number indicated in the Parts List.
6-2 6-3
Safety precautions
The components identified by the symbol
! are criti-
cal for safety. For continued safety, replace safety
critical components only with manufacturers recom-
mended parts.

Table of Contents

Related product manuals