EasyManua.ls Logo

JVC GR-DVX8EG - Page 97

JVC GR-DVX8EG
119 pages
Print Icon
To Next Page IconTo Next Page
To Next Page IconTo Next Page
To Previous Page IconTo Previous Page
To Previous Page IconTo Previous Page
Loading...
5
4
3
2
1
A
B
C
DEF
G
H
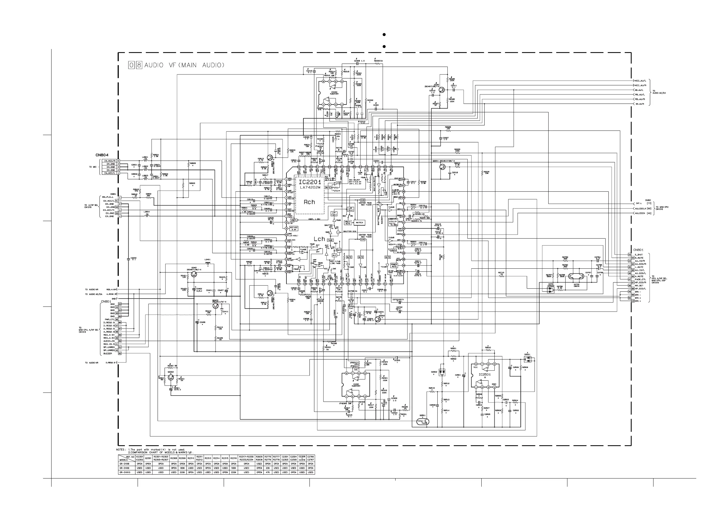
4.27 MAIN AUDIO SCHEMATIC DIAGRAM
4-55 4-56
NOTES: For the destination of each signal and further line connections that are cut off from
this diagram, refer to “4.1 BOARD INTERCONNECTIONS”.
When ordering parts, be sure to order according to the Part Number indicated in the Parts List.

Table of Contents

Related product manuals