EasyManua.ls Logo

JVC HX-Z1 - Repeat Play and Tray Lock

JVC HX-Z1
54 pages
Print Icon
To Next Page IconTo Next Page
To Next Page IconTo Next Page
To Previous Page IconTo Previous Page
To Previous Page IconTo Previous Page
Loading...
HX-Z1
20
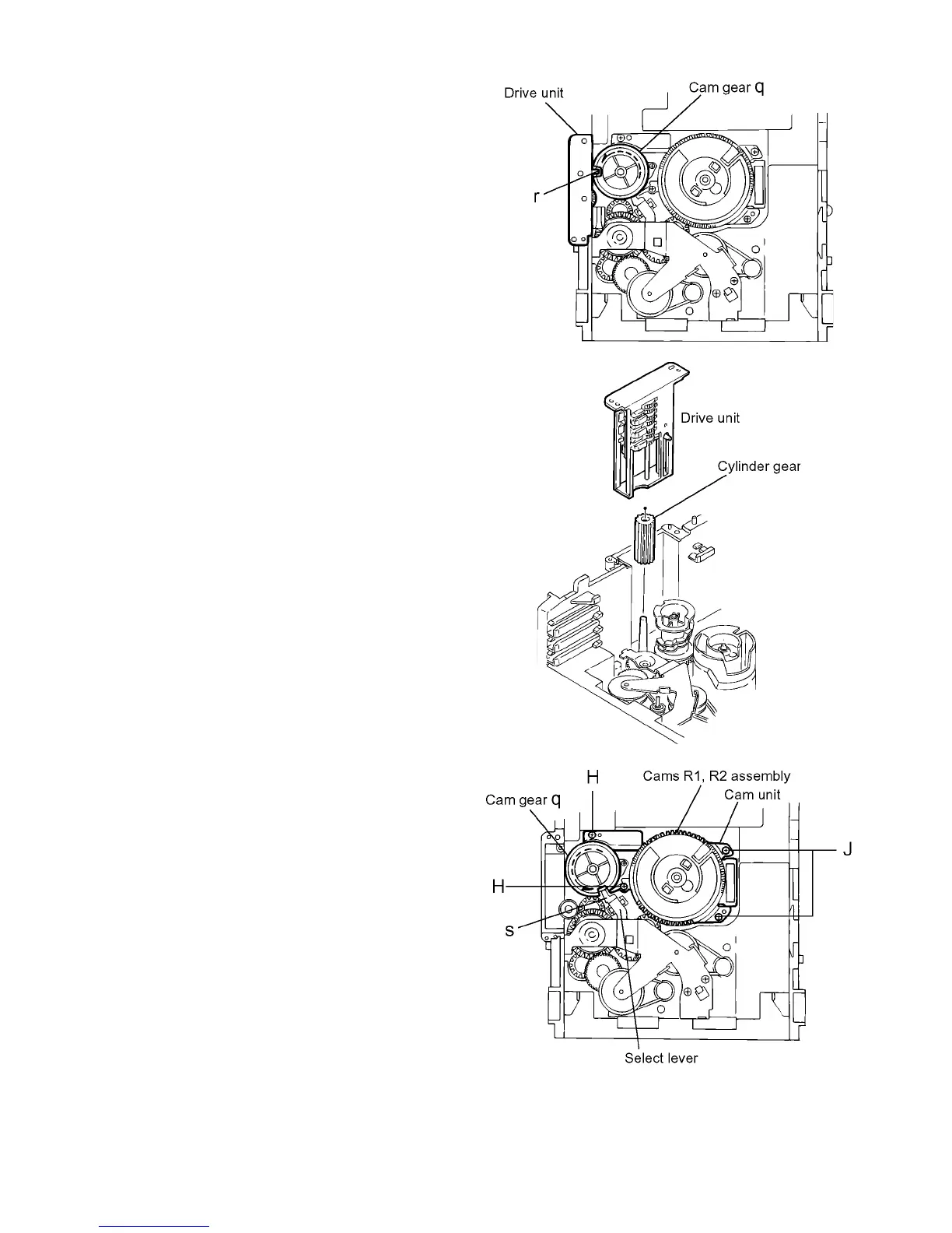
3.1.7 Removing the cam unit
(See Fig.15 ~17 )
(1) Remove the CD loading mechanism assembly.
(2) While turning the cam gear q , align the Paul r position of
the drive unit to the notch position(Fig.16) on the cam gear
q .
(3) Pull out the drive unit and cylinder gear(See Fig.17).
(4) While turning the cam gear q , align the Paul s position of
the select lever to the notch position(Fig.18) on the cam
gear q .
(5) Remove the four screws H retaining the cam unit(cam
gear q and cams R1/R2 assembly)(See Fig.18).
Fig.15
Fig.16
Fig.17

Table of Contents

Other manuals for JVC HX-Z1

Related product manuals