EasyManua.ls Logo

K-Patents PR-23-GP - Page 34

K-Patents PR-23-GP
215 pages
Print Icon
To Next Page IconTo Next Page
To Next Page IconTo Next Page
To Previous Page IconTo Previous Page
To Previous Page IconTo Previous Page
Loading...
24
PR-23 instrucon manual
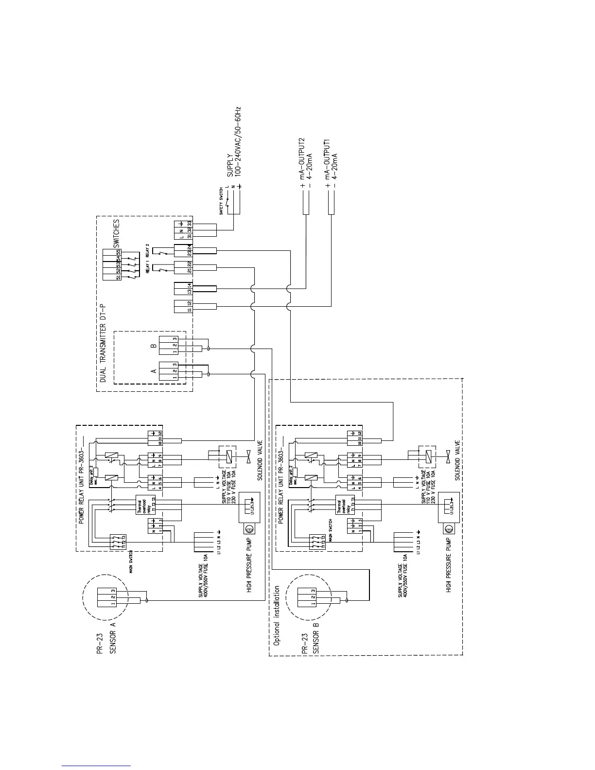
Figure 4.6 Wiring for a prism wash system for high pressure water

Table of Contents

Related product manuals