EasyManua.ls Logo

Keithley 2614B - Page 220

Keithley 2614B
864 pages
Print Icon
To Next Page IconTo Next Page
To Next Page IconTo Next Page
To Previous Page IconTo Previous Page
To Previous Page IconTo Previous Page
Loading...
Series 2600B
System SourceMeter® Instrument Reference Manual Section 3:
Functions and features
2600BS-901-01 Rev. B / May 2013 3-85
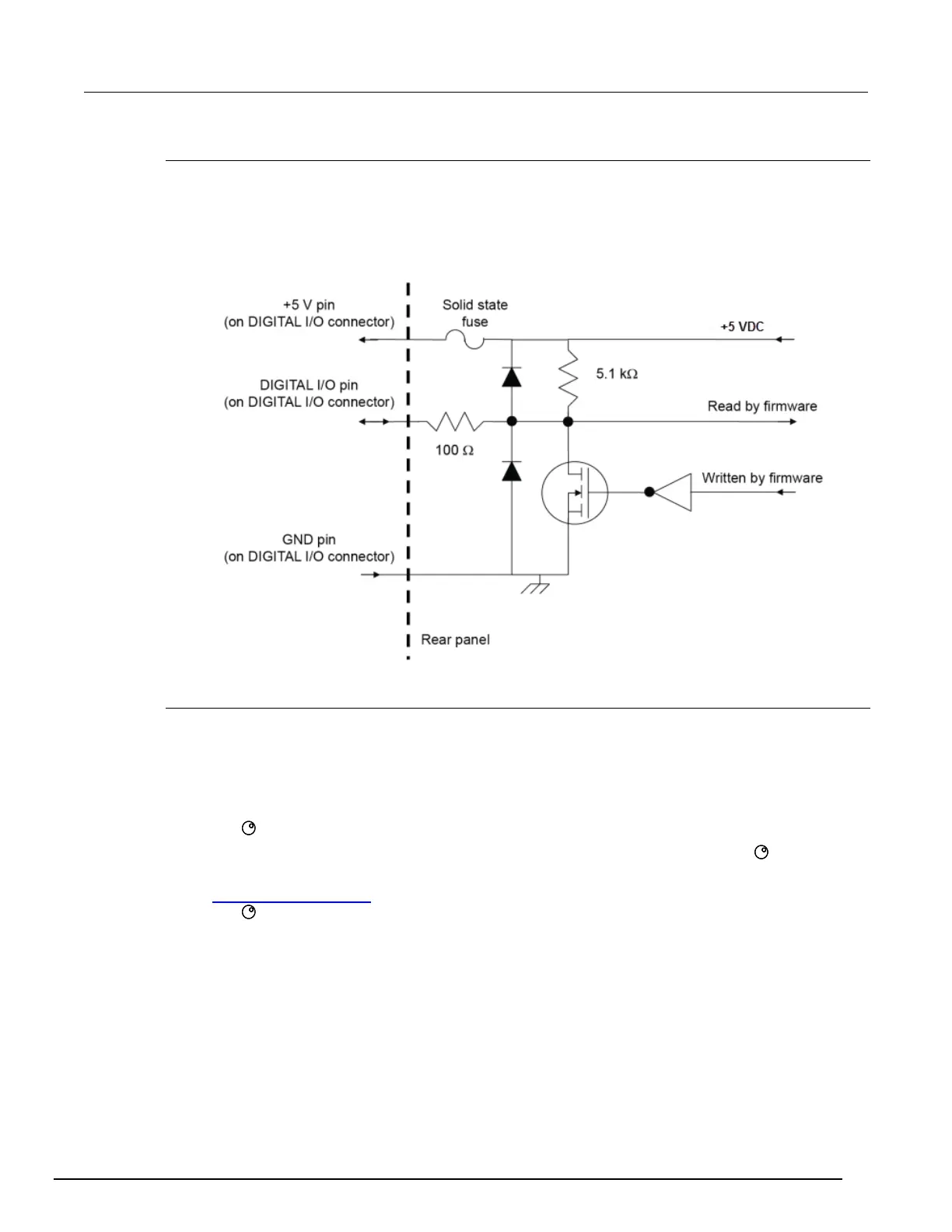
Digital I/O configuration
The following figure shows the basic configuration of the digital I/O port. Writing a 1 to a line sets that
line high (~ +5 V). Writing a 0 to a line sets that line low (~0 V). Note that an external device pulls an
I/O line low by shorting it to ground, so that a device must be able to sink at least 960 µA per I/O line.
Figure 88: Digital I/O interface schematic
Controlling digital I/O lines
Although the digital I/O lines are primarily intended for use with a device handler for limit testing, they
can also be used for other purposes such as controlling external logic circuits. You can control lines
either from the front panel or over a remote interface.
To set digital I/O values from the front panel:
1. Press the MENU key, select DIGOUT, and then press the ENTER key or press the navigation
wheel .
2. Select DIG-IO-OUTPUT, and then press the ENTER key or the navigation wheel .
3. Set the decimal value as required to set digital I/O lines in the range of 0 to 16,383 (see the table
in Digital I/O bit weighting (on page 3-86
)), and then press the ENTER key or the navigation
wheel .
For example, to set digital I/O lines 3 and 8, set the value to 132.
4. Press the EXIT (LOCAL) key as needed to return to the main menu.

Table of Contents

Other manuals for Keithley 2614B

Related product manuals