EasyManua.ls Logo

Kirisun TM840 - Product Features and Operation; Control Panel Overview

Kirisun TM840
103 pages
Print Icon
To Next Page IconTo Next Page
To Next Page IconTo Next Page
To Previous Page IconTo Previous Page
To Previous Page IconTo Previous Page
Loading...
TM840 Service Manual
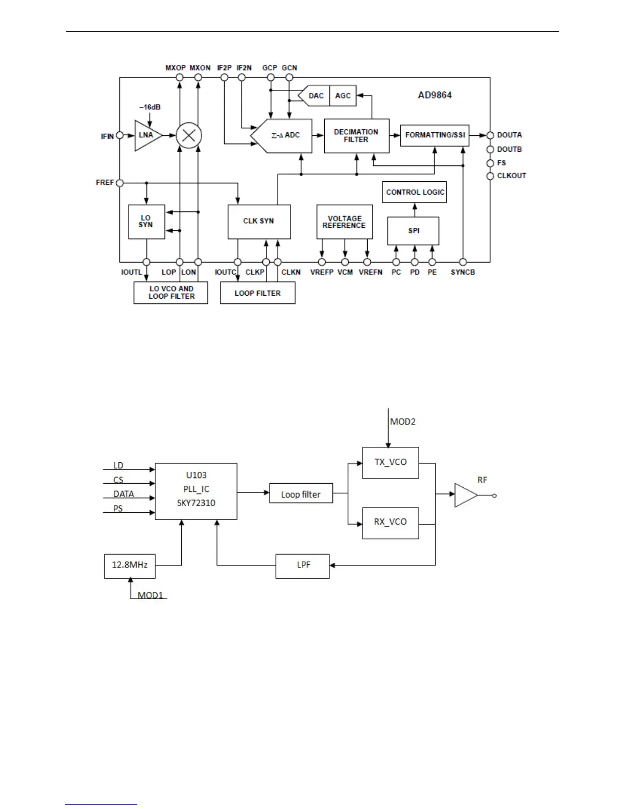
Figure 0-3 IF Processing Circuit
3.1.3 Frequency Generation Unit(FGU)
Figure 3.5 Frequency Generation Unit Diagram
Frequency generation unit(FGU) is composed of VCO and PLL. It is the core module of the TX-RX system. When
transmitting, it provides accurate carrier frequency, while receiving, it provides stable local oscillator signal. It has direct
influence on system performance.
1Working Principle of PLL
Benchmark crystal generates a 12.8MHz frequency, then it goes into frequency divider of the PLL chip to create a reference
6

Table of Contents

Other manuals for Kirisun TM840

Related product manuals