EasyManua.ls Logo

LAMBORGHINI XILO D - Page 13

LAMBORGHINI XILO D
Print Icon
To Next Page IconTo Next Page
To Next Page IconTo Next Page
To Previous Page IconTo Previous Page
To Previous Page IconTo Previous Page
Loading...
13
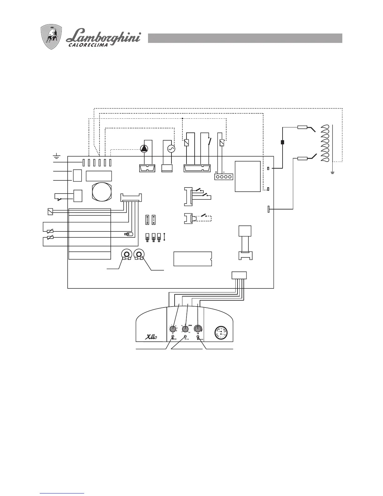
SCHEMA DI MONTAGGIO XILO D 20 N MCS W TOP - scheda cod. 4.56040.0
L
N
J1
F
J14
L1
CiR
J3 J4
J15
VN
TL
J6
PONTICELLO DI CABLAGGIO
DA TAGLIARE SE SERVE
TERMOSTATO LIMITE
J10
J13
J9
J8
ALUDOM
E
R
OT
BM
JP4
JP3
RLA
R
max.
SR
SS
PS
CONNESSIONE
P
ANNELLO
JP5 (BASSA TEMPERATURA)
JP1
PA
TA
MP
+ S
JP6 JP7
VG
J12
TST
VG1
3
2
1
Spia blocco
Spia ON/OFF
Spia anomalie
EA
EC
.t
s
is
e
R
mhok1
LEGENDA
BM Bobina modulante
CiR Circolatore di riscald.
EA Elettrodo di accensione
EC Elettrodo di controllo
F Fusibile 2(A)
JP1 Selettore Metano/GPL
JP3 Selettore. post. circolazione
JP4 Selettore di limitazione accensione
JP5 Ponte a togliare per bassa temp.
JP6 Selettore monotermica/bitermica
L Fase 230 V 50 Hz
MP
Micropressostato precedenza sanita-
rio
N Neutro
PA Pressostato aria
PS Pressostato mancanza H
2
O
RLA Regolazione lenta accensione
Rmax. Regolazione potenza max. di
riscaldamento
SR Sonda riscaldamento
SS Sonda sanitaria
TA Termostato ambiente (event.)
TL Termostato limite (event.)
TST Termostato di sicurezza
VG Valvola gas SIT 837
VG1 Valvola gas Honeywell
VK 4105M
VN Ventilatore
1 Potenziometro riscald.
2 Selettore: Spento
Estate
Inverno
Riarmo
Test
3 Potenziometro sanitario
Avvertenza: Sulla caldaia è installata una sola delle due valvole gas VG o VG1

Table of Contents

Related product manuals