EasyManua.ls Logo

Leisure UNITY 2018 - Waste Systems

Leisure UNITY 2018
138 pages
Print Icon
To Next Page IconTo Next Page
To Next Page IconTo Next Page
To Previous Page IconTo Previous Page
To Previous Page IconTo Previous Page
Loading...
105
UNITY MOTORHOME WATER AND PLUMBING SYSTEM
IF WATER PRESSURE DROPS
1 Check faucets and connections for leaks.
2 Make sure faucet aerators and lters are clean.
3 Make sure there is water in the tank.
4 Make sure the chassis battery is not discharged.
5 Make sure the water pump screen is not clogged.
IF PUMP RUNS WHEN THERE IS NO DEMAND
FOR WATER
1 Make sure all faucets and xtures are shut off
and are not leaking.
2 Check all lines for leaks.
3 Make sure there is water in the tank.
4 Make sure no air is trapped in the system.
5 Make sure the tank ll water selector valve
5
is
set to "NORMAL POSITION"
6
as shown
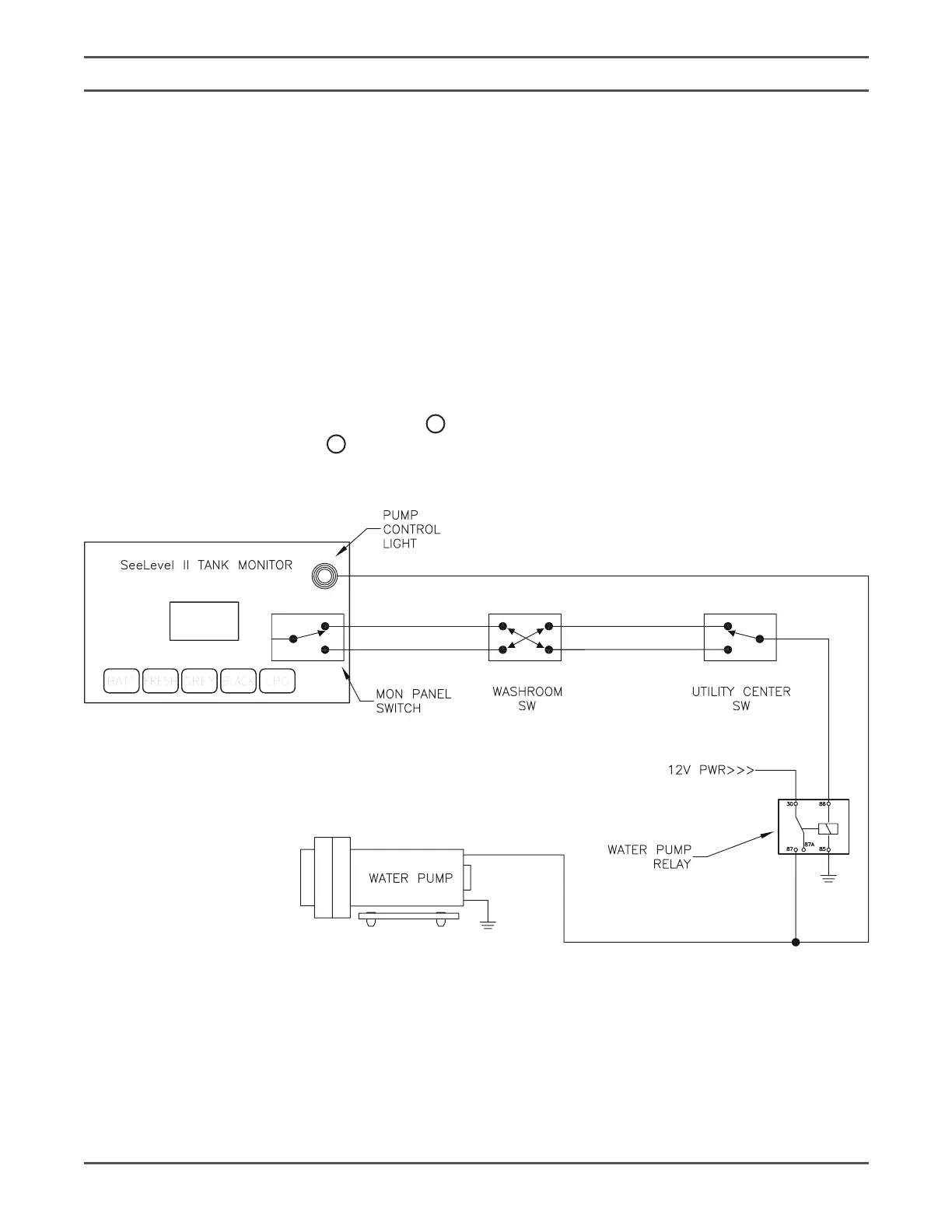
WATER PUMP ELECTRICAL DIAGRAM

Table of Contents