EasyManua.ls Logo

Lennox XC17 Series - Page 23

Lennox XC17 Series
59 pages
Print Icon
To Next Page IconTo Next Page
To Next Page IconTo Next Page
To Previous Page IconTo Previous Page
To Previous Page IconTo Previous Page
Loading...
Page 23
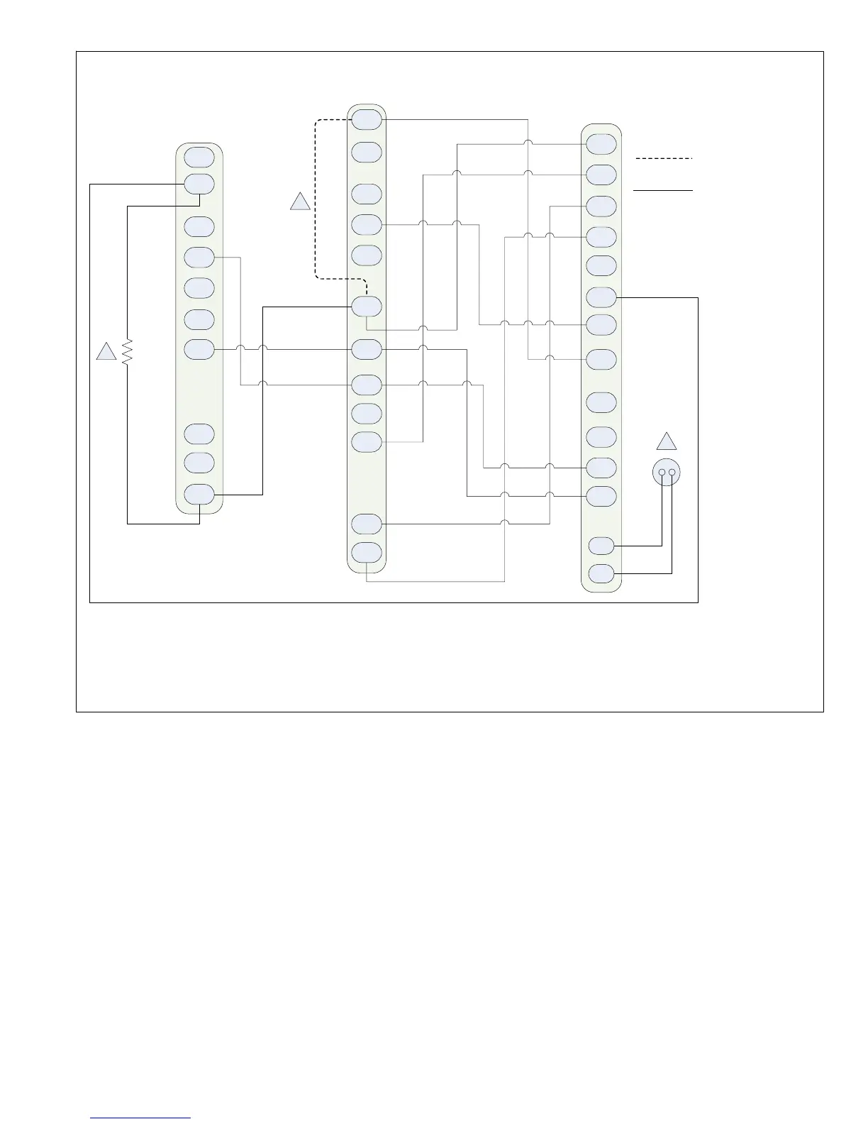
XC17
Y1
O
R
W1
G
D
R
Y1
L
C
C
Furnace Control
ComfortSense[ 7000 Thermostats
Catalog # Y0349 or Y2081
OneStage
Air Conditioner Control
B
Y2
Y2
i
W
O
i+
DS
L
T
T
W2
H
H
O
C
L
Y2
DS
DH
G
R
Y1
W2
W1
Cut onboard link (W914) (clippable wire) from DS to R for dehumidification (Optional).
1
2
3
Onboard link
Low voltage thermostat
wiring
1. Thermostat T terminals are used for outdoor sensor input. Use for thermostat’s outdoor temperature display (optional).
2. R to L connection is required for this model when using the ComfortSense
®
7000 − catalog number Y0349 only. Resistor Kit (catalog number
47W97) required and ordered separately.
3. Cut onboard link (clippable wire) DSR for Humiditrol
®
or Harmony IIIt applications. This will slow the indoor blower motor to the lowest speed
setting. See furnace installation instruction or engineering handbook for lowest fan speed information.
Figure 9. ComfortSense® 7000 Series Thermostat 
Furnace/One−Stage Air Conditioner

Related product manuals