EasyManua.ls Logo

Lennox XC17 Series - Page 57

Lennox XC17 Series
59 pages
To Next Page IconTo Next Page
To Next Page IconTo Next Page
To Previous Page IconTo Previous Page
To Previous Page IconTo Previous Page
Loading...
Page 57
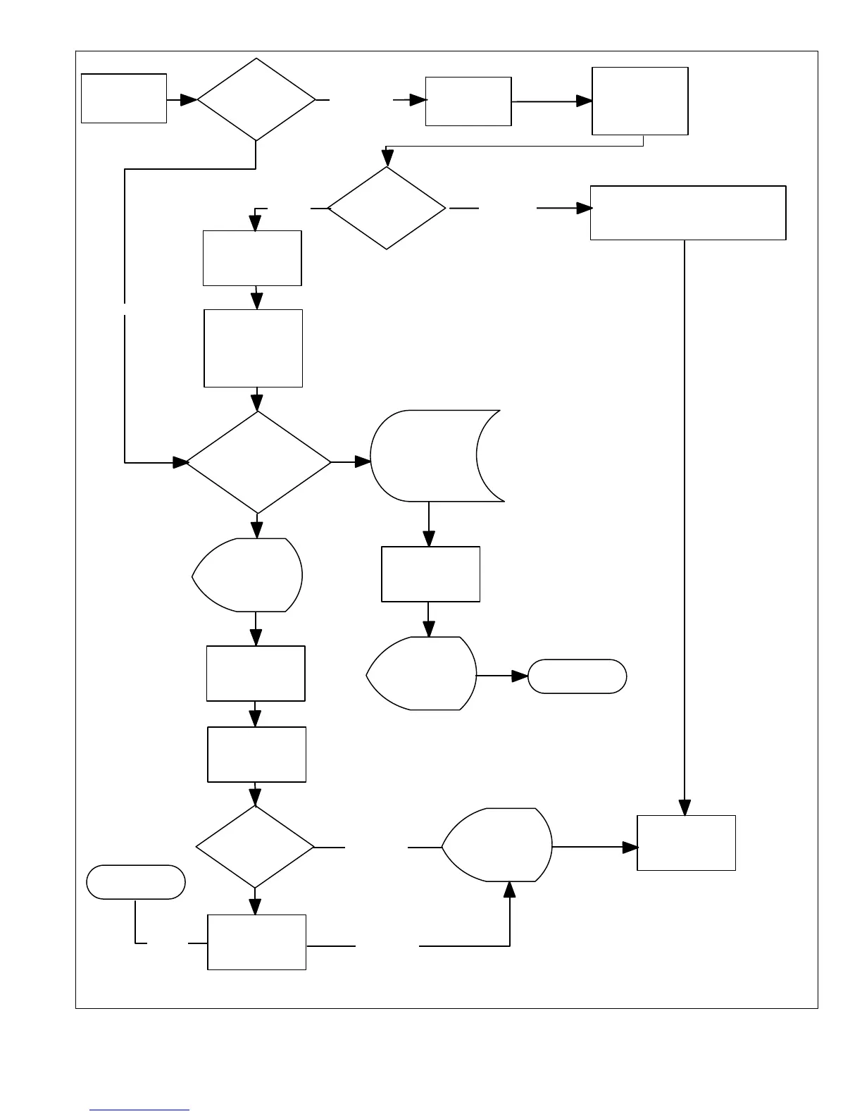
XC17
Y1 DEMAND
LOW
PRESSURE
SWITCH (S87)
COMPRESSOR
CONTACTOR
ENERGIZED
INITIAL TRIP
SWITCH IS
IGNORED FOR
90 SECONDS
LOW
PRESSURE
SWITCH (S87)
COMPRESSOR
CONTACTOR
DE−ENERGIZED
COMPRESSOR
ANTI−SHORT
CYCLE TIMER
BEGINS
INCREMENT
5−STRIKE
COUNTER
1
LED ALERT
CODE / OR
MODERATE
ALERT 410
DISPLAYED
ANTI−SHORT
CYCLE TIMER
ENDS
COMPRESSOR
CONTACTOR
ENERGIZED
LOW
PRESSURE
SWITCH (S87)
WAITING FOR
PRESSURE
SWITCH TO
CLOSE
SWITCH IS CLOSED OR OUTDOOR
AMBIENT TEMPERATURE IS 15ºF
OR BELOW
5−STRIKE
COUNTER
REACHES 5
WITHIN A SINGLE
Y1 DEMAND
LOW
PRESSURE
SWITCH (S87)
LOCKOUT
LED ALERT
CODE / OR
CRITICAL
ALERT 411
DISPLAYED
SERVICE
REQUIRED
2
LED ALERT
CODE / OR
MODERATE
ALERT 410
DISPLAYED
SERVICE
REQUIRED
2
NORMAL
OPERATION
CLOSED
CLOSED
OPEN
OPEN
1
If 5−strike counter has four or less strikes when Y1 demand
is terminated or satisfied, the strike counter will reset to
zero. In a icomfort Toucht enabled setup, the thermostat
will terminate demand when the compressor contactor is
de−energized. If demand is satisfied when alarm is not
active, the 5−strike counter will reset.
2
Lockouts can be reset by either cycling power off to the air
conditioner control’s (A175) R terminal, or placing a jumper
on the field test pins (E33) between 1 to 2 seconds.
OPEN
CLOSED
CLOSED
Figure 33. Low Pressure Switch (S87) Sequence of Operation

Related product manuals