EasyManua.ls Logo

Linak CO61 - Page 112

Default Icon
295 pages
Print Icon
To Next Page IconTo Next Page
To Next Page IconTo Next Page
To Previous Page IconTo Previous Page
To Previous Page IconTo Previous Page
Loading...
Page 112 of 295
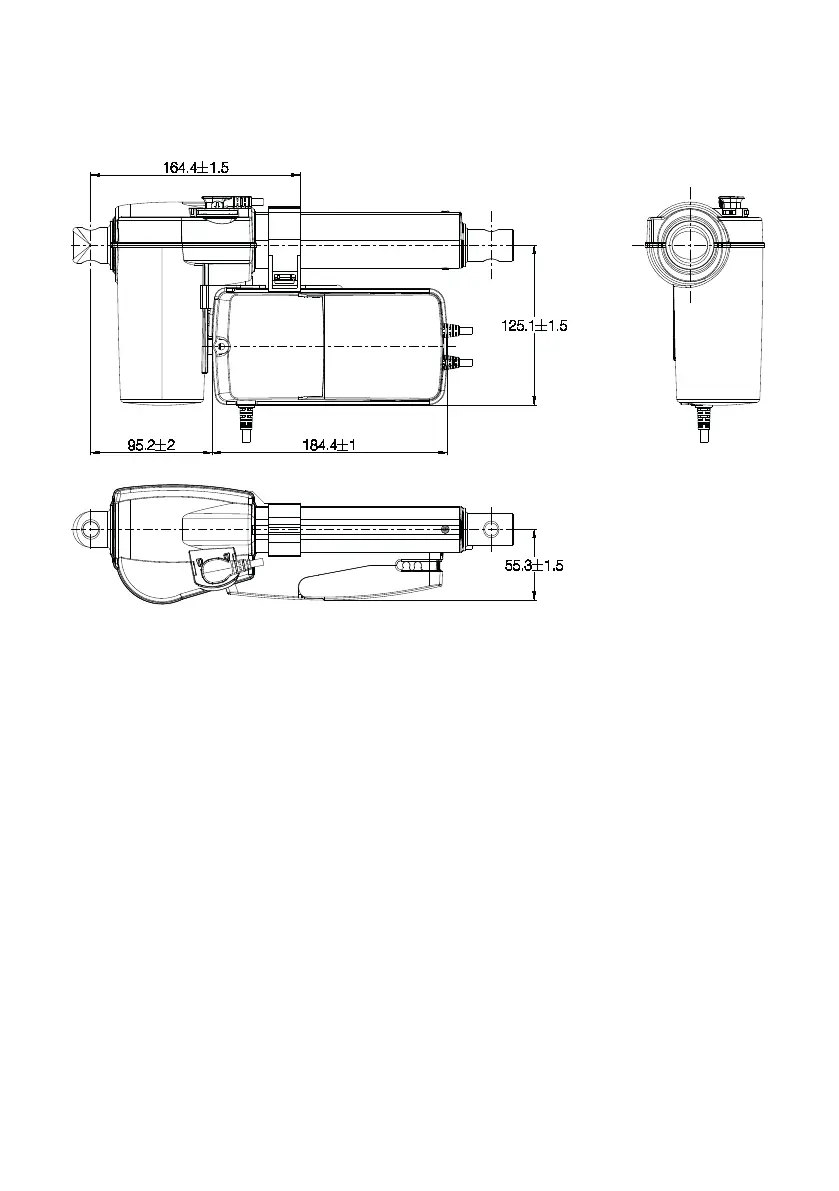
Drawing No: 10475W4009
Mounting
TThe CA20 fits with the actuator LA27, however, mounting on the bed frame is also possible.
CA20 - mounted with LA27

Table of Contents

Related product manuals