EasyManua.ls Logo

LIVOLTEK Hyper 5000 - Page 33

Default Icon
68 pages
Print Icon
To Next Page IconTo Next Page
To Next Page IconTo Next Page
To Previous Page IconTo Previous Page
To Previous Page IconTo Previous Page
Loading...
33
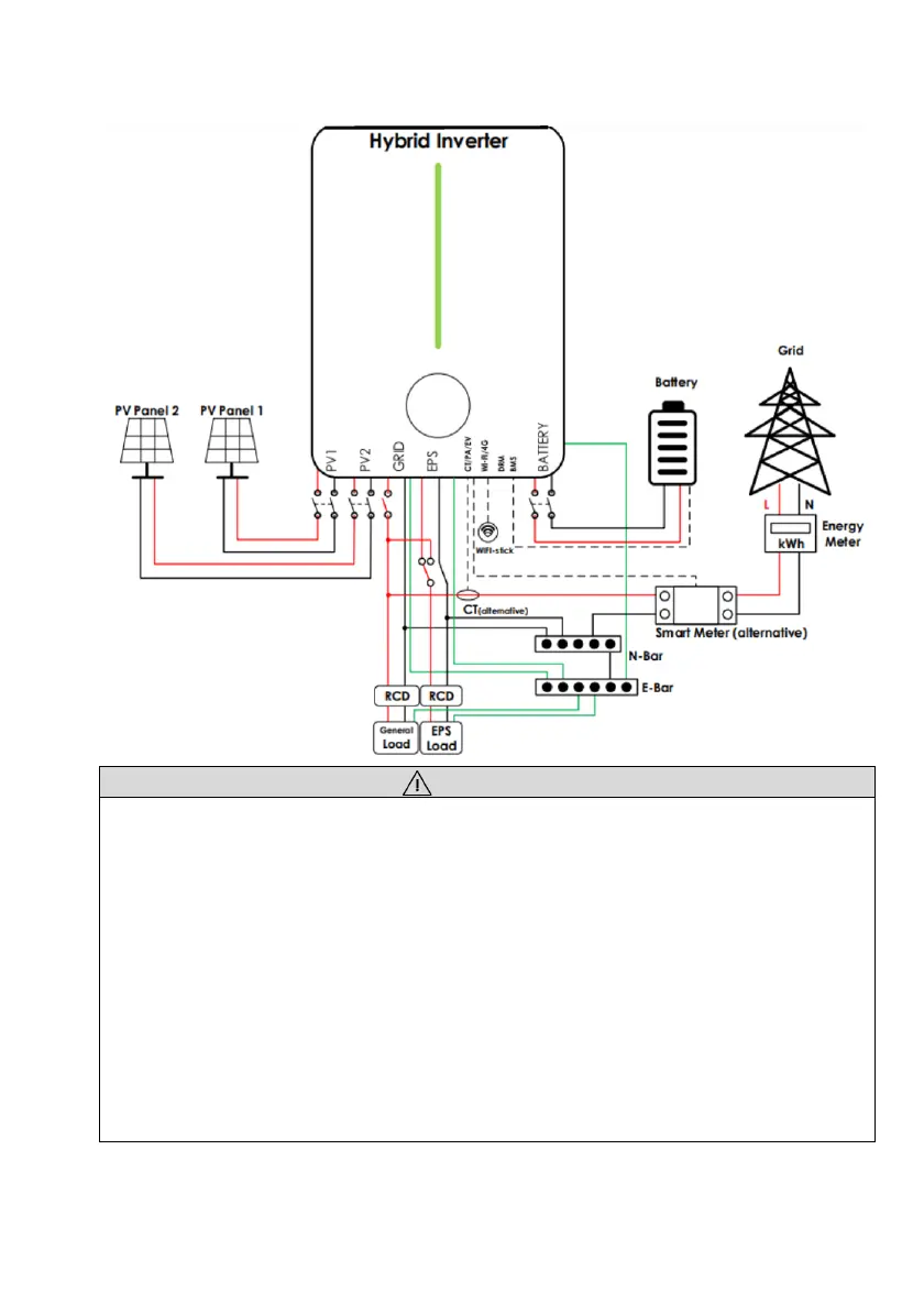
6.2 Wiring Diagram for Australia and New Zealand
WARNING
In Australia and New Zealand, electrical installation and maintenance shall be
conducted by a licensed electrician and shall comply with Australia/New Zealand
National Wiring Rules.
Because the inverter does not maintain neutral integrity, an external neutral
connection must be used in Australia and New Zealand. 30mA Type ARCD can be
used where required by AS/NZ_3000, but cannot be used if there are backup loads on
the inverter as per AS4777.
For Australia and New Zealand, the neutral cable of Grid side and Backup side must
be connected together according to the wiring rules AS/NZ_3000, otherwise backup
function will not work.

Other manuals for LIVOLTEK Hyper 5000

Related product manuals