EasyManua.ls Logo

LIVOLTEK Hyper 5000 - Wiring Diagram

Default Icon
68 pages
Print Icon
To Next Page IconTo Next Page
To Next Page IconTo Next Page
To Previous Page IconTo Previous Page
To Previous Page IconTo Previous Page
Loading...
32
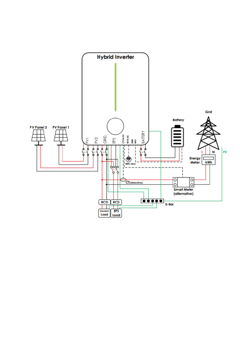
6.1 Wiring Diagram
6.1.1 Wiring Diagram for European

Other manuals for LIVOLTEK Hyper 5000

Related product manuals