EasyManua.ls Logo

Lloyd 402 Flexion Elevation - Flexion Head Assembly

Lloyd 402 Flexion Elevation
75 pages
Print Icon
To Next Page IconTo Next Page
To Next Page IconTo Next Page
To Previous Page IconTo Previous Page
To Previous Page IconTo Previous Page
Loading...
Page 50
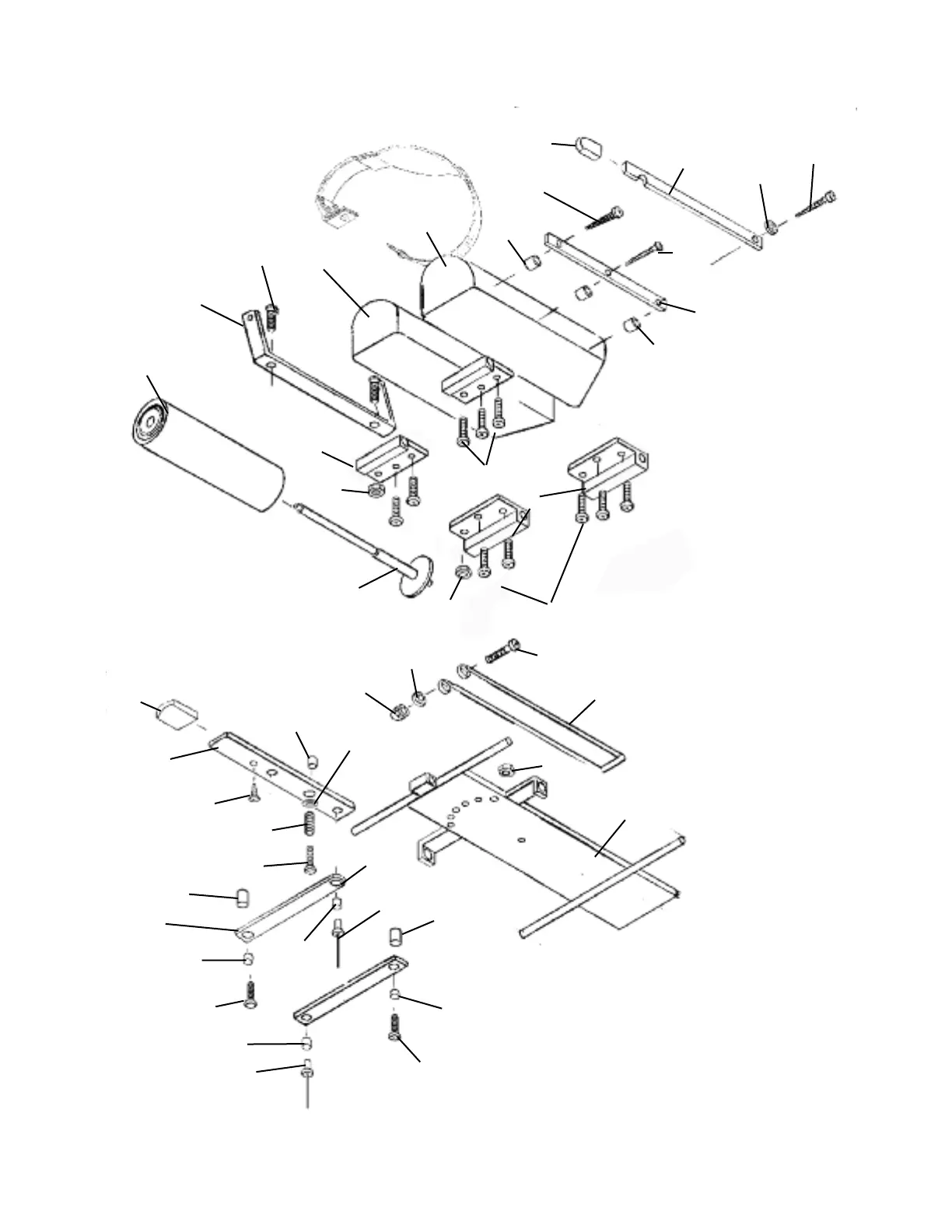
FLEXION HEAD CUSHION ASSEMBLY
(617459)
1
2
24
26
27
28
29
20
10
23
19
3
5
5
21
21
18
4
13
12
8
16
17
15
30
31
8
7
8
9
11
14
7
8
11
14
6
22
25
23
9
8
21
32
33
34

Related product manuals