EasyManua.ls Logo

Lowara e-SVE - Power Supply Connection

Lowara e-SVE
48 pages
Print Icon
To Next Page IconTo Next Page
To Next Page IconTo Next Page
To Previous Page IconTo Previous Page
To Previous Page IconTo Previous Page
Loading...
en Original instructions
22
4.3.3 Power supply connection
WARNING: Electrical hazard
Contact with electric components may cause death, even after the unit has been switched off.
Before any interventions on the unit, the network voltage and any other input voltages must be
disconnected for the minimum time indicated in Table 9.
Table 6: Power supply wiring procedure
Reference
1.
Open the terminal box cover (2) by removing the screws (1).
2.
Insert the power cable in the M20 cable gland (5)
Fig. 9
3.
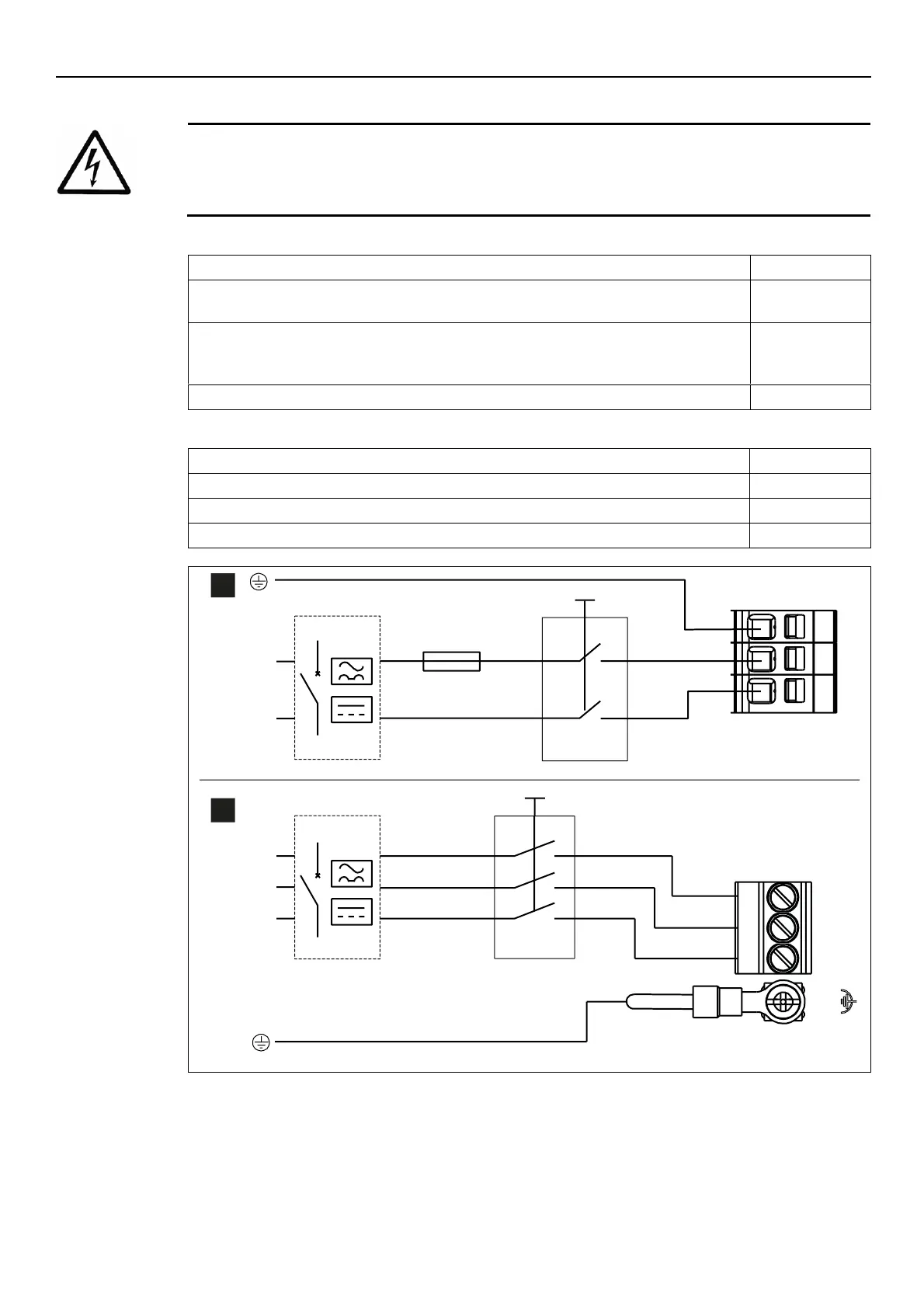
Connect the cable according to the wiring diagram.
4.
Connect the earth conductor (mass), making sure that it is longer than the phase conductors.
5.
Connect the phase leads.
Fig. 14
6.
Close the cover (2) and tighten the screws (1).
Fig. 9
Table 7: I/O wiring procedure
Reference
1.
Open the terminal box cover (2) by removing the screws (1).
Fig. 9
2.
Connect the cable according to the wiring diagram.
Fig. 15
3.
Close the cover (2) and tighten the screws (1).
Fig. 9
Figure 14: Wiring diagram
ESM_M0007_B_sc
N
1
2
3
10 A
L
ESM_T0008_D_sc
1
L1
208÷240
380÷460
L2
L3
L1
L2
L3
4
3
2
1~
3~

Table of Contents

Related product manuals