EasyManua.ls Logo

LST BC06 Series - Example for the Wiring of Detector Circuits; System Cabling ADM Loop

Default Icon
200 pages
Print Icon
To Next Page IconTo Next Page
To Next Page IconTo Next Page
To Previous Page IconTo Previous Page
To Previous Page IconTo Previous Page
Loading...
& &'J:# (19
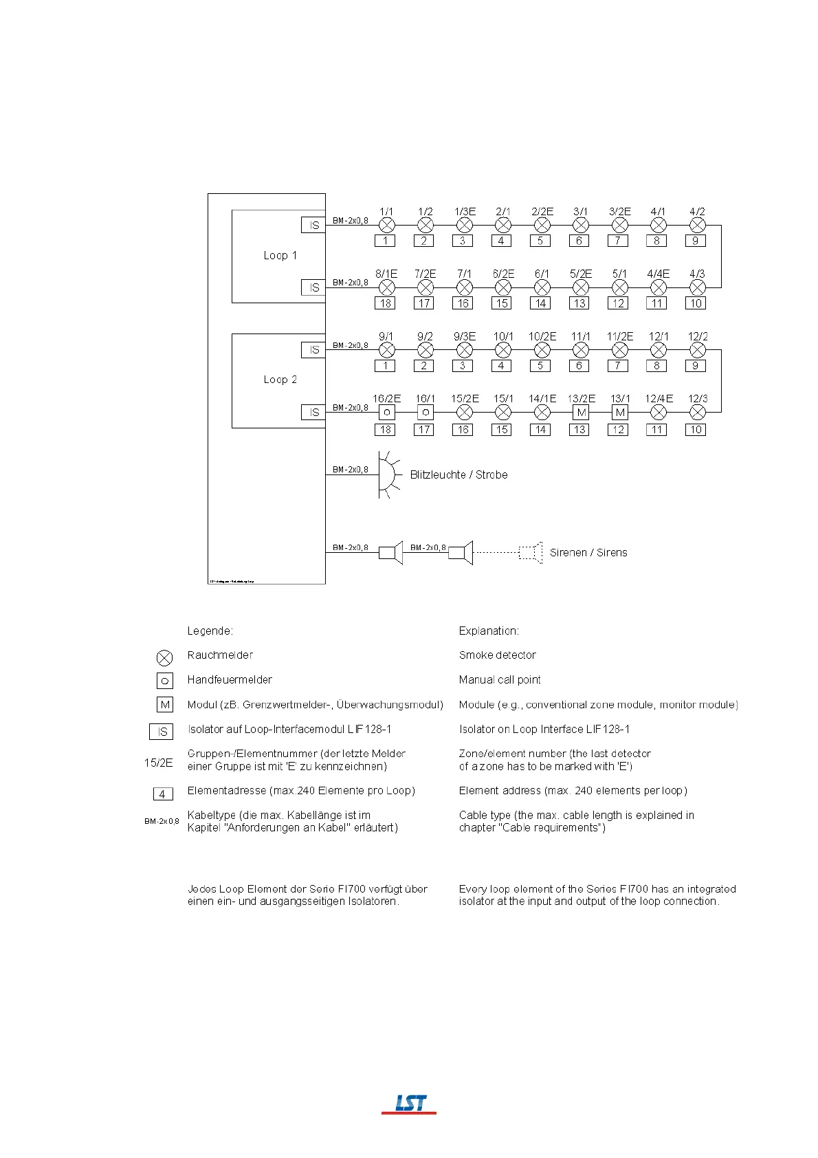
3.14 Example for the wiring of detector circuits
"!$

3.14.1 System cabling ADM loop
&"/)779/%9(3()91
)77/(19
189

Table of Contents

Related product manuals