EasyManua.ls Logo

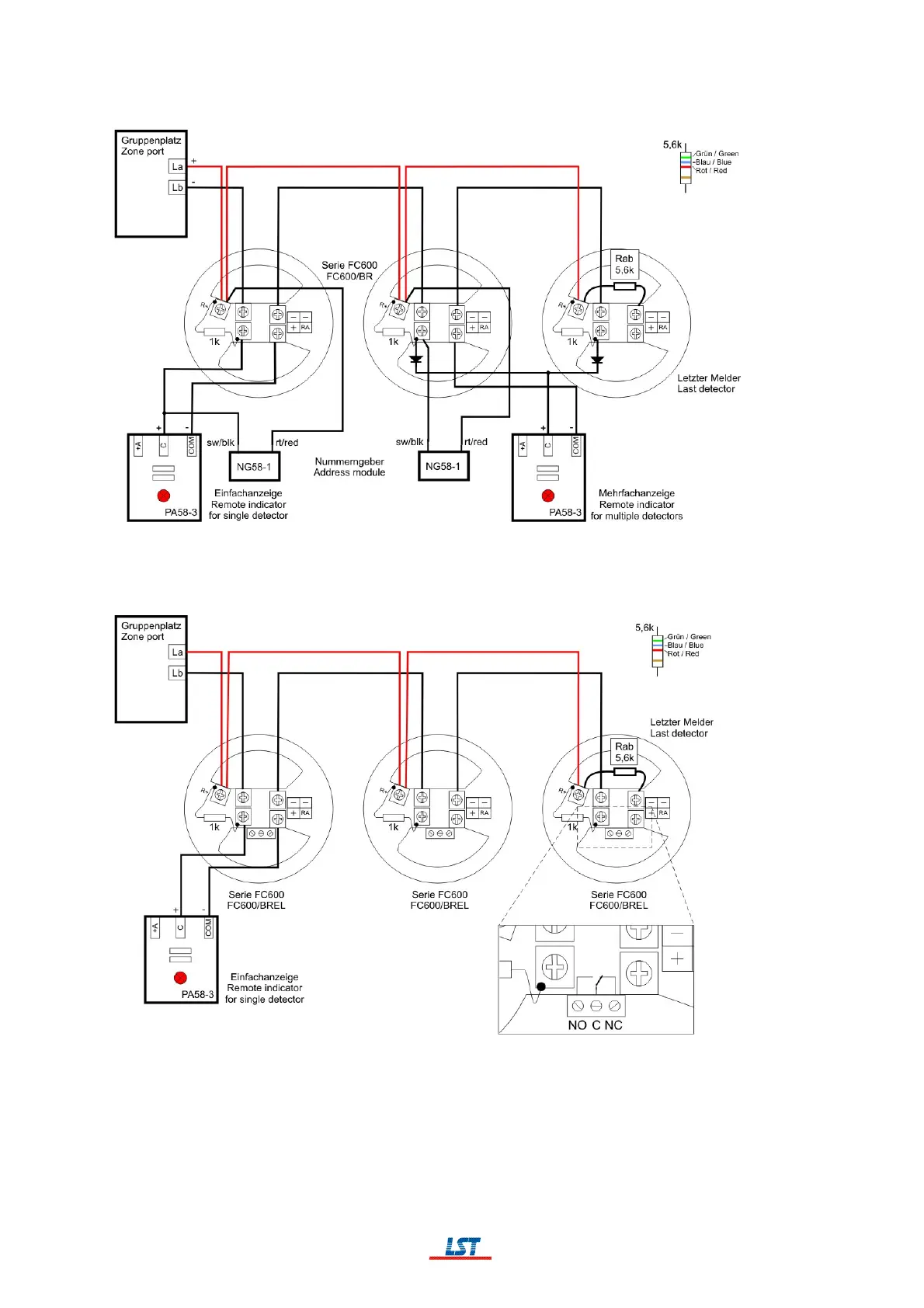
LST BC06 Series - Connection of Detectors with Relay Base FC600;BREL; Connection of Detectors with Remote Indicator PA58-3 and Address Module NG58-1

Default Icon
200 pages
Print Icon
To Next Page IconTo Next Page
To Next Page IconTo Next Page
To Previous Page IconTo Previous Page
To Previous Page IconTo Previous Page
Loading...
)) &)J& &
),(0 &<*401'#%01(
*
one
),(3 &<;.&377/;<5
"('7?:&
&"/)779/%9(3()91
)77/))
22

Table of Contents

Related product manuals