EasyManua.ls Logo

LST BC06 Series - Connection of Door Magnets

Default Icon
200 pages
Print Icon
To Next Page IconTo Next Page
To Next Page IconTo Next Page
To Previous Page IconTo Previous Page
To Previous Page IconTo Previous Page
Loading...
6) &)J& &
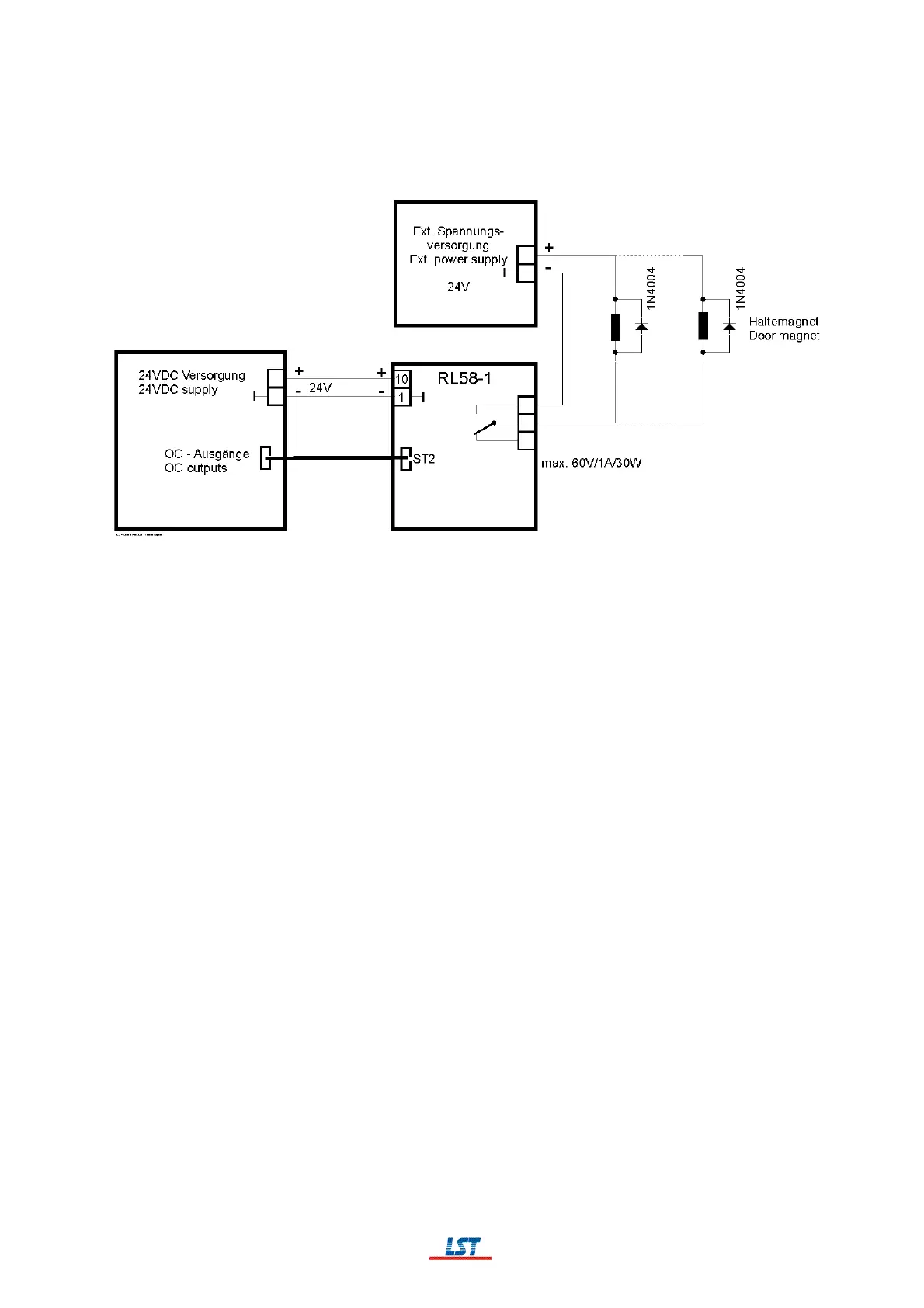
2.12 Connection of door magnets
!$
8),?:&(%,77,

&"/)779/%9(3()91
)77/6)
72

Table of Contents

Related product manuals