EasyManua.ls Logo

LST BC06 Series - Beam Smoke Detector FR2000

Default Icon
200 pages
Print Icon
To Next Page IconTo Next Page
To Next Page IconTo Next Page
To Previous Page IconTo Previous Page
To Previous Page IconTo Previous Page
Loading...
& &)J& 00
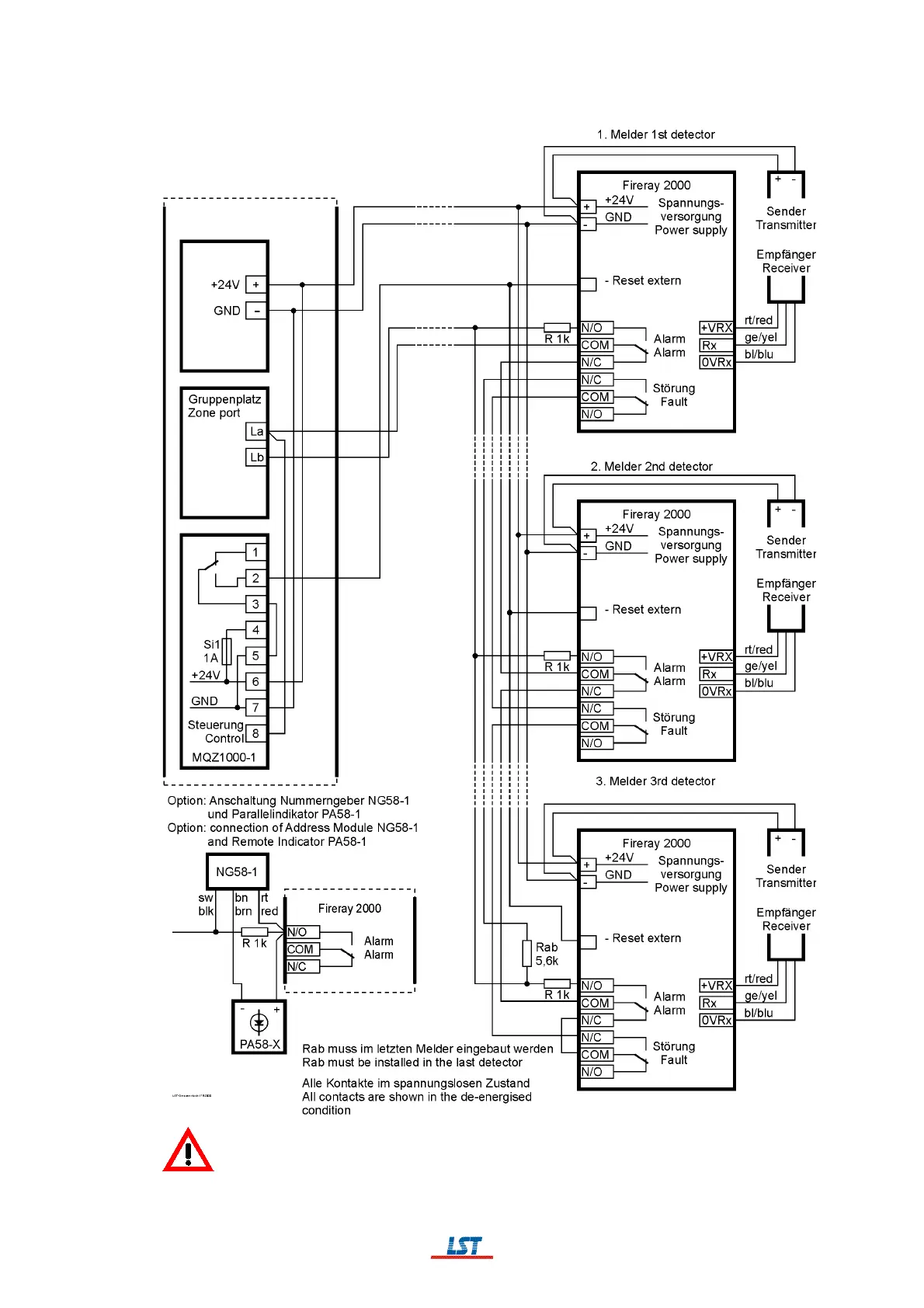
2.10.7 Beam Smoke Detector FR2000
4++$L
5%0,)"C;&377
+;&)(3
+D
&"/)779/%9(3()91
)77/00
55

Table of Contents

Related product manuals