EasyManua.ls Logo

LST BC06 Series - Shielded Cable

Default Icon
200 pages
Print Icon
To Next Page IconTo Next Page
To Next Page IconTo Next Page
To Previous Page IconTo Previous Page
To Previous Page IconTo Previous Page
Loading...
9, &'J:# &
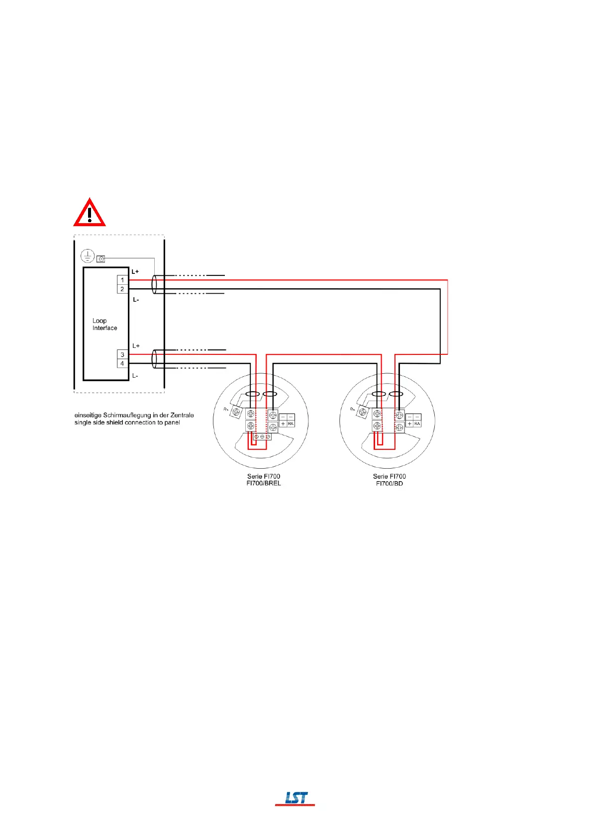
3.2.2 Shielded cable
!I
"only at one end
""

*
8
!.*677/;:"

%.*677/;:
.*677/;
"Q<RS.*677/;:
&"/)779/%9(3()91
)77/9,
94

Table of Contents

Related product manuals