EasyManua.ls Logo

LST BC06 Series - Automatic Detectors Series ORBIS I.S

Default Icon
200 pages
Print Icon
To Next Page IconTo Next Page
To Next Page IconTo Next Page
To Previous Page IconTo Previous Page
To Previous Page IconTo Previous Page
Loading...
'7 &)J& &
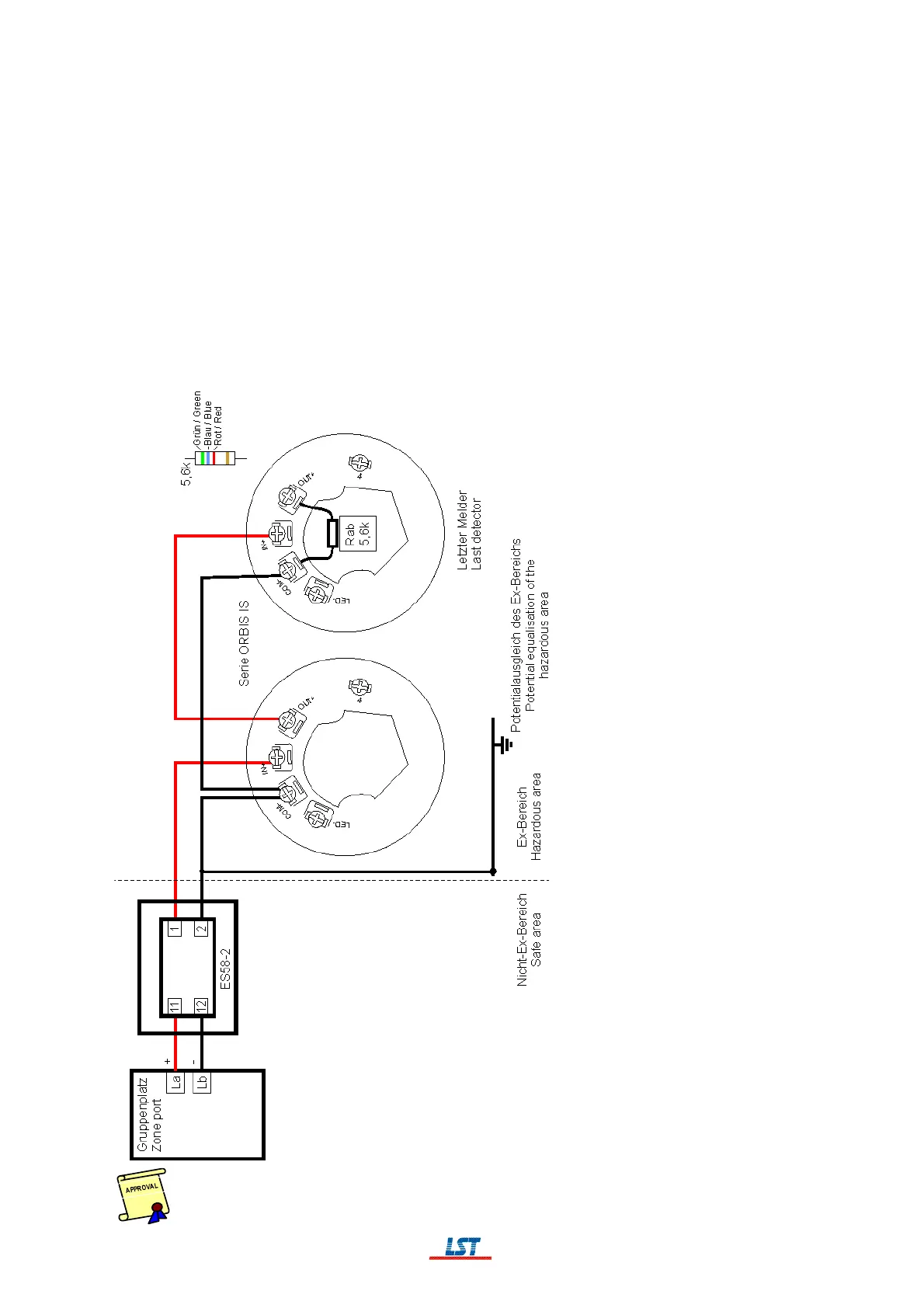
2.5.2 Automatic detectors Series ORBIS I.S.
"I
=$:=40)7)6
=":= 0'7)6
": "0((,0C(<D
": "0((06C(D
": "0((,6C)D
": "0((,9C;<D
": "0((0(C;D
": "0((0'C&<D
": "0((00C&D
*+)1.=<;**
:;#;077(1
"+-

&"/)779/%9(3()91
)77/'7
30

Table of Contents

Related product manuals