EasyManua.ls Logo

Macurco CX-6 - Page 11

Macurco CX-6
165 pages
Print Icon
To Next Page IconTo Next Page
To Next Page IconTo Next Page
To Previous Page IconTo Previous Page
To Previous Page IconTo Previous Page
Loading...
Macurco CX-xx Manual (Rev-1.0) Eng
REV 1.0 [34-2900-0512-0 ] 11 | Page
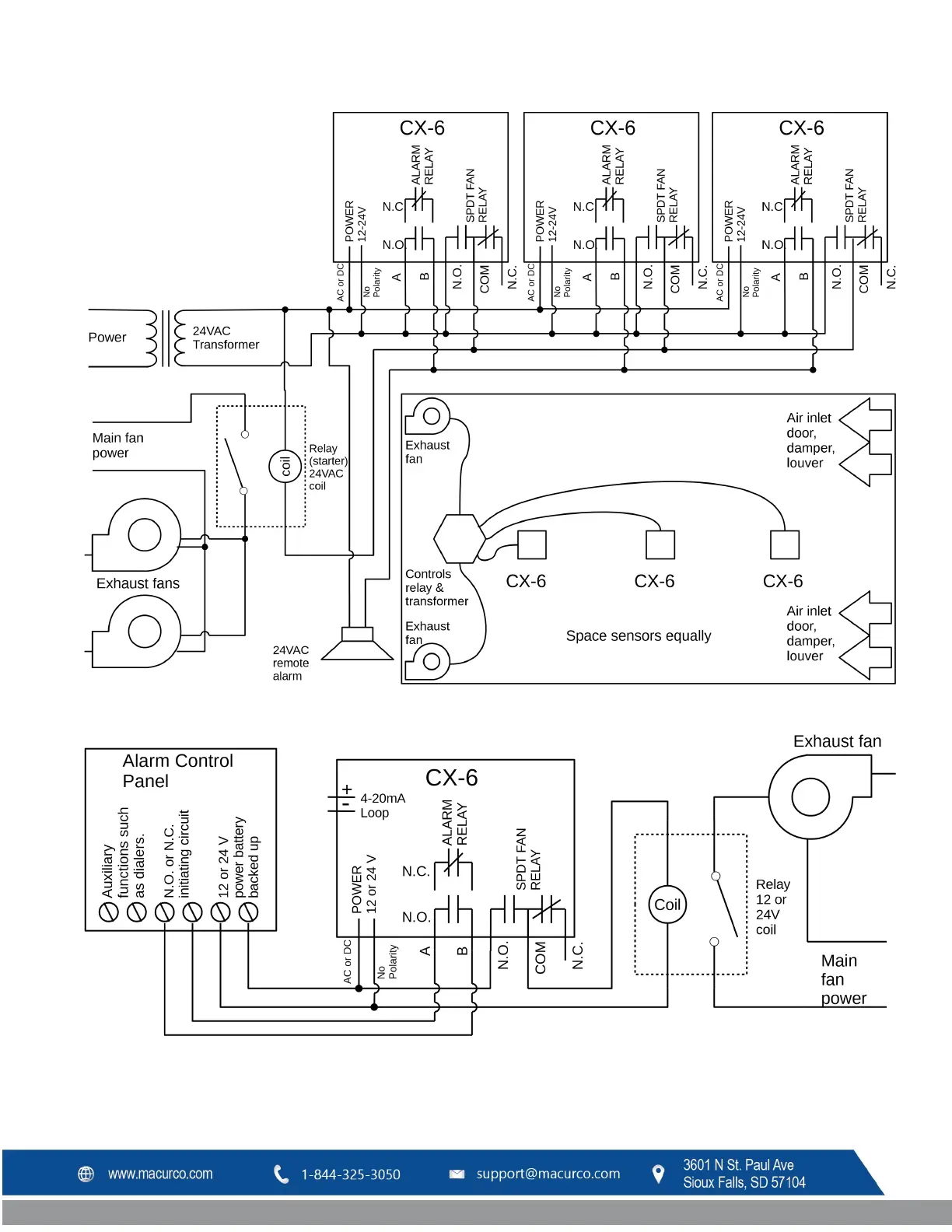
Figure 3–5 6-Series Multiple Devices
Figure 3–6 6-Series Alarm Control Panel

Table of Contents

Related product manuals