EasyManua.ls Logo

Macurco CX-6 - Page 122

Macurco CX-6
165 pages
Print Icon
To Next Page IconTo Next Page
To Next Page IconTo Next Page
To Previous Page IconTo Previous Page
To Previous Page IconTo Previous Page
Loading...
Macurco CX-xx Manual (Rev-1.0) Fre
RÉV. 1.0 [34-2900-0513-4 ] 12 | Page
Figure 3-7 Panneau de commande DVP-120 Séries 6
Figure 3-8 Panneau d'alarme alternatif Séries 6
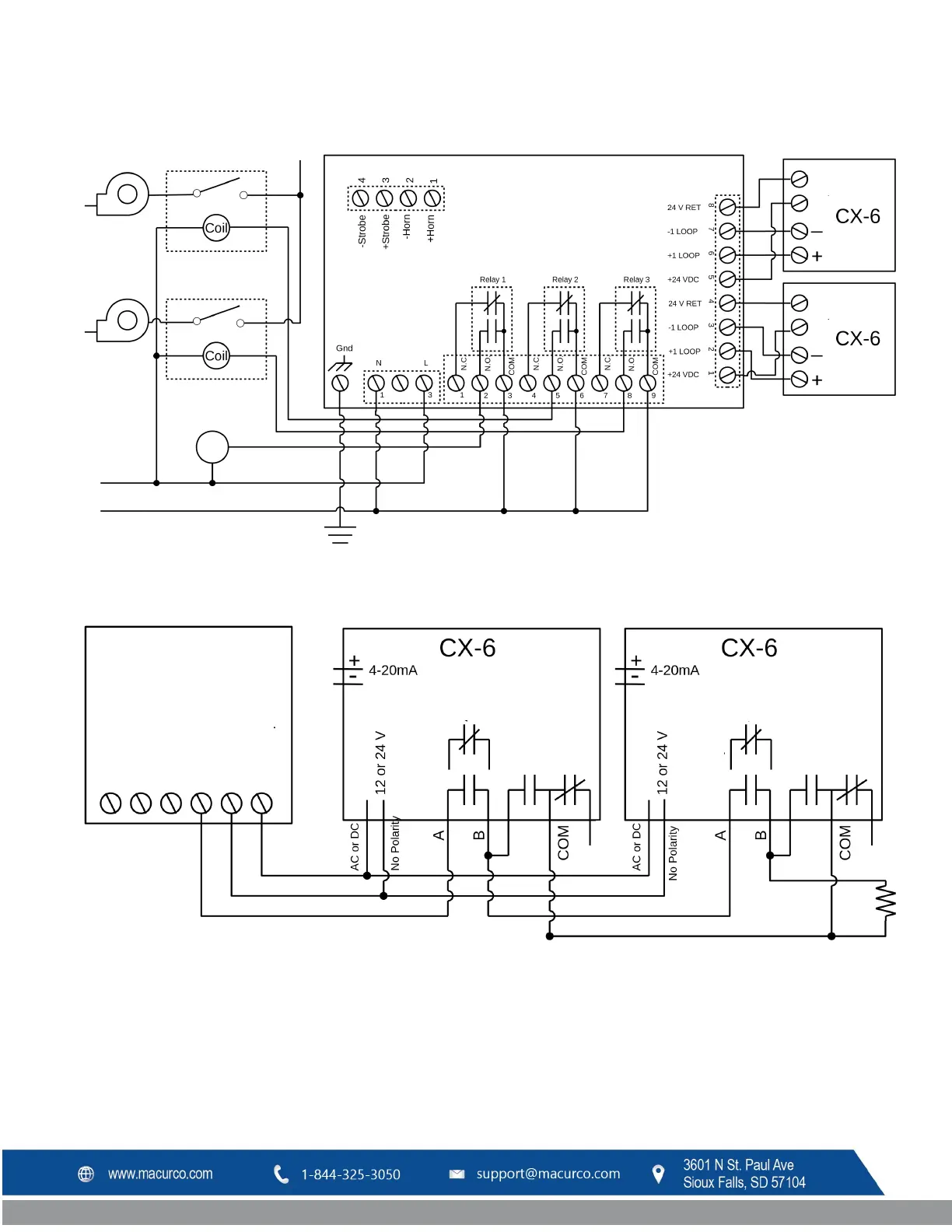
Dans la présente application (ci-dessus), le ventilateur ou le relais principal est utilisé comme relais d'alarme de bas niveau. Le
relais d'alarme ou secondaire est utilisé comme relais de supervision lorsqu'il est utilisé dans la configuration normalement
fermée. Le CX-6 surveille toutes les fonctions critiques de l'appareil grâce à des diagnostics logiciels qui testent et vérifient
continuellement son fonctionnement. Si un problème est détecté, l'appareil passe en mode sécurité intégrée/erreur ou en état
Alimentation du
ventilateur principal
Ventilateur d'évacuation
Boucle de
courant
Alimentation
NF
NO
NF
NO
RELAIS
D'ALARME
RELAIS
VENTILATEUR
SPDT
Boucle de
courant
Alimentation
NF
NO
NF
NO
RELAIS
D'ALARME
RELAIS
VENTILATEUR SPDT
BOBINES RELAIS DE
DÉMARRAGE 120
V c.a.
ALARME 120 V c.a.
Alimentation 120 V c.a.
PANNEAU DE COMMANDE
DE DÉTECTION ET DE
VENTILATION MACURCO
DVP-120
alimentation
alimentation
sortie
sortie
12 canaux d'entrée
Panneau de commande
d'alarme
Fonctions
auxiliaires telles
que composeurs.
Circuit de
déclenchement
N.O. ou N.F.
Batterie
d'alimentation 12 ou
24 V sauvegardée
Alimentation
panneau
120/250 V c.a.

Table of Contents

Related product manuals