EasyManua.ls Logo

Macurco CX-6 - Page 121

Macurco CX-6
165 pages
Print Icon
To Next Page IconTo Next Page
To Next Page IconTo Next Page
To Previous Page IconTo Previous Page
To Previous Page IconTo Previous Page
Loading...
Macurco CX-xx Manual (Rev-1.0) Fre
RÉV. 1.0 [34-2900-0513-4 ] 11 | Page
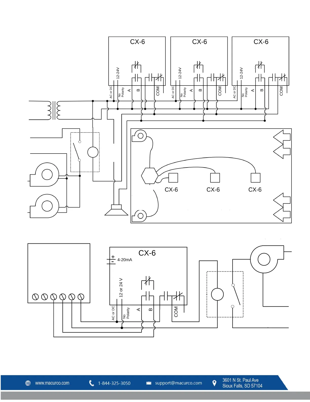
Figure 3-5 Plusieurs appareils Séries 6
Figure 3-6 Panneau de commande d'alarme Séries 6
Alimentation
NF
NO
RELAIS
D'ALARME
RELAIS
VENTILATEUR
SPDT
Alimentation
NF
NO
RELAIS
D'ALARME
RELAIS
VENTILATEUR
SPDT
Alimentation
NF
NO
RELAIS
D'ALARME
RELAIS
VENTILATEUR
SPDT
NF
NO
NF
NO
NF
NO
Alimentation
Transformateur
24
V c.a.
Alimentation du
ventilateur principal
Bobine
Ventilateur d'évacuation
Porte
d'admission
d'air, Registre
à volets
Ventilateur
d'évacuation
Ventilateur
d'évacuation
Porte
d'admission
d'air, Registre
à volets
Relais bobine
24
V c.a.
Ventilateur d'évacuation
Alimentation du
ventilateur principal
Boucle de
courant
Alimentation
NF
NO
NF
NO
RELAIS
D'ALARME
RELAIS
VENTILATEUR
SPDT
Relais bobine
12 V C.A. O
24
V c.a.
Bobine
Bobine de
relais
(démarreur)
24
V c.a.
Contrôle
relais et
transformateur
Distribuer l’espacement des capteurs
Panneau de commande
d'alarme
Fonctions
auxiliaires telles
que composeurs.
Circuit de
déclenchement
N.O. ou N.F.
Batterie
d'alimentation 12 ou
24 V sauvegardée

Table of Contents

Related product manuals