EasyManua.ls Logo

Macurco CX-6 - Page 127

Macurco CX-6
165 pages
Print Icon
To Next Page IconTo Next Page
To Next Page IconTo Next Page
To Previous Page IconTo Previous Page
To Previous Page IconTo Previous Page
Loading...
Macurco CX-xx Manual (Rev-1.0) Fre
RÉV. 1.0 [34-2900-0513-4 ] 17 | Page
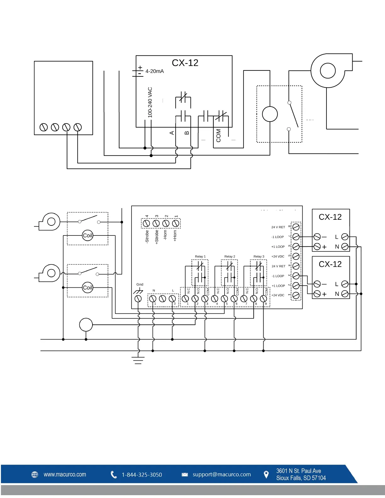
Figure 3-15 Panneau de commande d'alarme Séries 12
Figure 3-16 Panneau de commande DVP-120 Séries 12
Ventilateur d'évacuation
Alimentation
Boucle de
courant
Alimentation
NF
NO
NF
NO
RELAIS
D'ALARME
RELAIS
VENTILATEUR
SPDT
Alimentation du
ventilateur principal
Bobine
Alimentation du ventilateur
principal
Ventilateur d'évacuation
Panneau de
commande d'alarme
Fonctions
auxiliaires telles
que composeurs.
Circuit de
déclenchement
N.O. ou N.F.
BOBINES RELAIS DE
DÉMARRAGE 120
V c.a.
ALARME 120 V c.a.
Alimentation 120 V c.a.
PANNEAU DE COMMANDE
DE DÉTECTION ET DE
VENTILATION MACURCO
DVP-120
alimentation
sortie
12 canaux d'entrée
alimentation
sortie
Bobine de
relais
1
10 V c.a.

Table of Contents

Related product manuals