EasyManua.ls Logo

Macurco CX-6 - Page 158

Macurco CX-6
165 pages
Print Icon
To Next Page IconTo Next Page
To Next Page IconTo Next Page
To Previous Page IconTo Previous Page
To Previous Page IconTo Previous Page
Loading...
Macurco CX-xx Manual (Rev-1.0) Fre
RÉV. 1.0 [34-2900-0513-4 ] 48 | Page
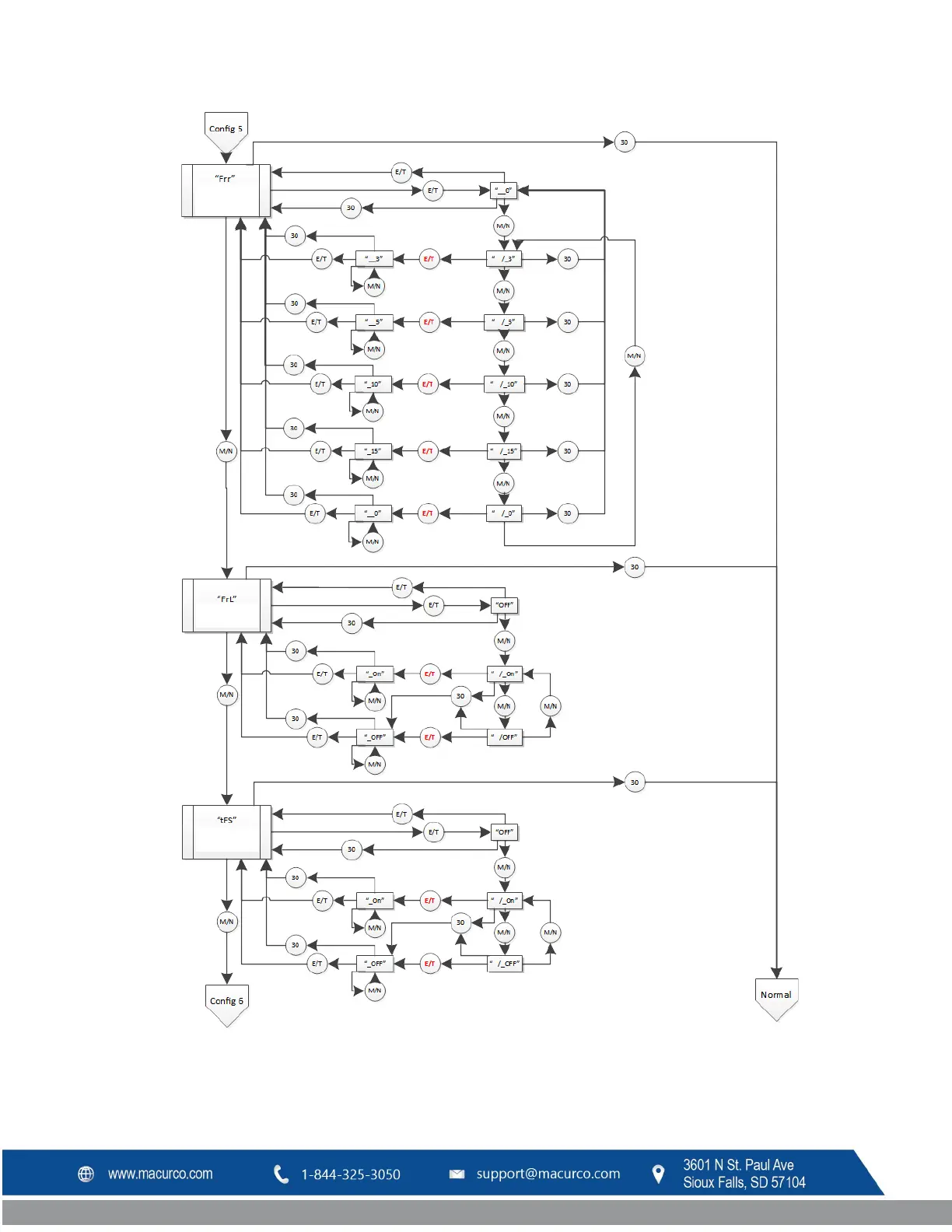
Durée d’exécution
du relais de
ventilateur
Verrou du relais
de ventilateur
Passer au réglage actuel 0
dans le présent exemple
Passer au réglage actuel OFF
dans le présent exemple
Passer au réglage actuel OFF
dans le présent exemple
Réglage des
défaillances

Table of Contents

Related product manuals