EasyManua.ls Logo

Macurco CX-6 - Page 159

Macurco CX-6
165 pages
Print Icon
To Next Page IconTo Next Page
To Next Page IconTo Next Page
To Previous Page IconTo Previous Page
To Previous Page IconTo Previous Page
Loading...
Macurco CX-xx Manual (Rev-1.0) Fre
RÉV. 1.0 [34-2900-0513-4 ] 49 | Page
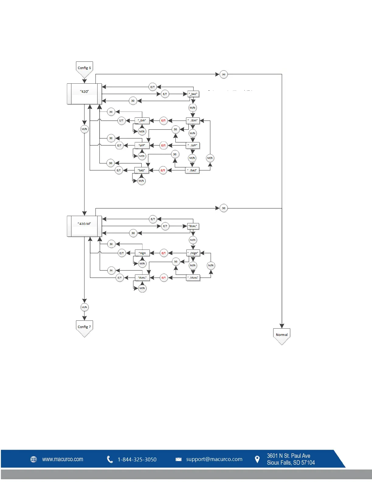
Boucle de courant
Passer au réglage actuel bAS
dans le présent exemple
Passer au réglage actuel dUAL
dans le présent exemple
Mode de sortie

Table of Contents

Related product manuals