EasyManua.ls Logo

Macurco CX-6 - Page 160

Macurco CX-6
165 pages
Print Icon
To Next Page IconTo Next Page
To Next Page IconTo Next Page
To Previous Page IconTo Previous Page
To Previous Page IconTo Previous Page
Loading...
Macurco CX-xx Manual (Rev-1.0) Fre
RÉV. 1.0 [34-2900-0513-4 ] 50 | Page
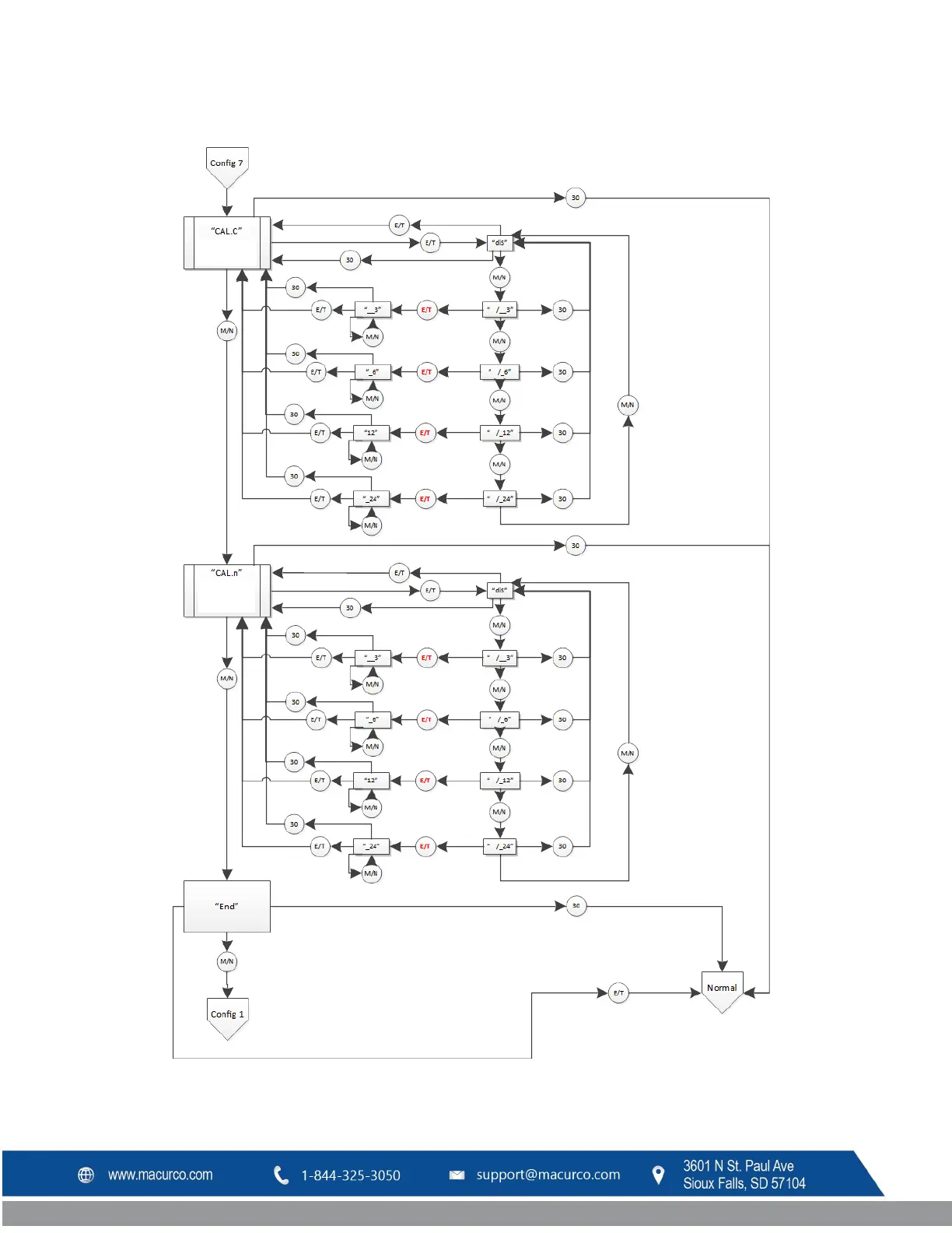
Rappel
d’étalonnage de
CO
Passer au réglage actuel
désactivé dans le présent
exemple
Passer au réglage actuel
désactivé dans le présent
exemple
Rappel
d’étalonnage de
NO2

Table of Contents

Related product manuals