EasyManua.ls Logo

Macurco CX-6 - Page 66

Macurco CX-6
165 pages
Print Icon
To Next Page IconTo Next Page
To Next Page IconTo Next Page
To Previous Page IconTo Previous Page
To Previous Page IconTo Previous Page
Loading...
Macurco CX-xx Manual (Rev-1.0) Spa
REV.: 1.0 [34-2900-0513-4 ] 11 | Página
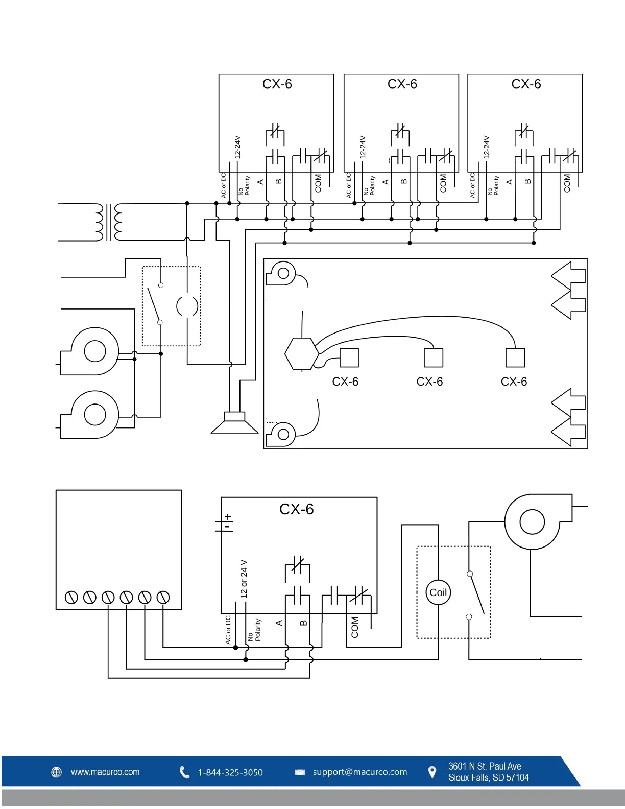
Figura 3–5 Serie 6 - Dispositivos múltiples
Figura 3–6 Serie 6 - Panel de control de alarma
Ventilador de extracción
Alimentación principal
de ventiladores
ALIMENTACIÓN
RELÉ DE
ALARMA
RELÉ DE
VENTILADOR
SPDT
NC
NA
NC
NA
ALIMENTACIÓN
RELÉ DE
ALARMA
RELÉ DE
VENTILADOR
SPDT
NC
NA
NC
NA
ALIMENTACIÓN
RELÉ DE
ALARMA
RELÉ DE
VENTILADOR
SPDT
NC
NA
NC
NA
Ventilador de
extracción
Ventilador de
extracción
Entrada de
aire: puerta,
regulador,
rejilla
Entrada de
aire: puerta,
regulador,
rejilla
Bobina
Alimentación
Transformador
24 V CA
Bobina
relé
(arran-
cador)
24 V
CA
Alarma
remota
24 V CA
Espaciar los sensores uniformemente
Ventilador de extracción
Alimentación
principal de
ventiladores
Lazo de
4-20 mA
ALIMENTACIÓN
RELÉ DE
ALARMA
RELÉ DE
VENTILADOR
SPDT
NC
NA
NC
NA
Panel de control de alarmas
Funciones
auxiliares, como
marcadores
Circuitos iniciadores
NA o NC
Con alimentación de
respaldo de batería
de 12 o 24 volts
Bobina
relé 12
o 24 V
Controles - Relé
y transformador

Table of Contents

Related product manuals