EasyManua.ls Logo

Macurco CX-6 - Page 72

Macurco CX-6
165 pages
Print Icon
To Next Page IconTo Next Page
To Next Page IconTo Next Page
To Previous Page IconTo Previous Page
To Previous Page IconTo Previous Page
Loading...
Macurco CX-xx Manual (Rev-1.0) Spa
REV.: 1.0 [34-2900-0513-4 ] 17 | Página
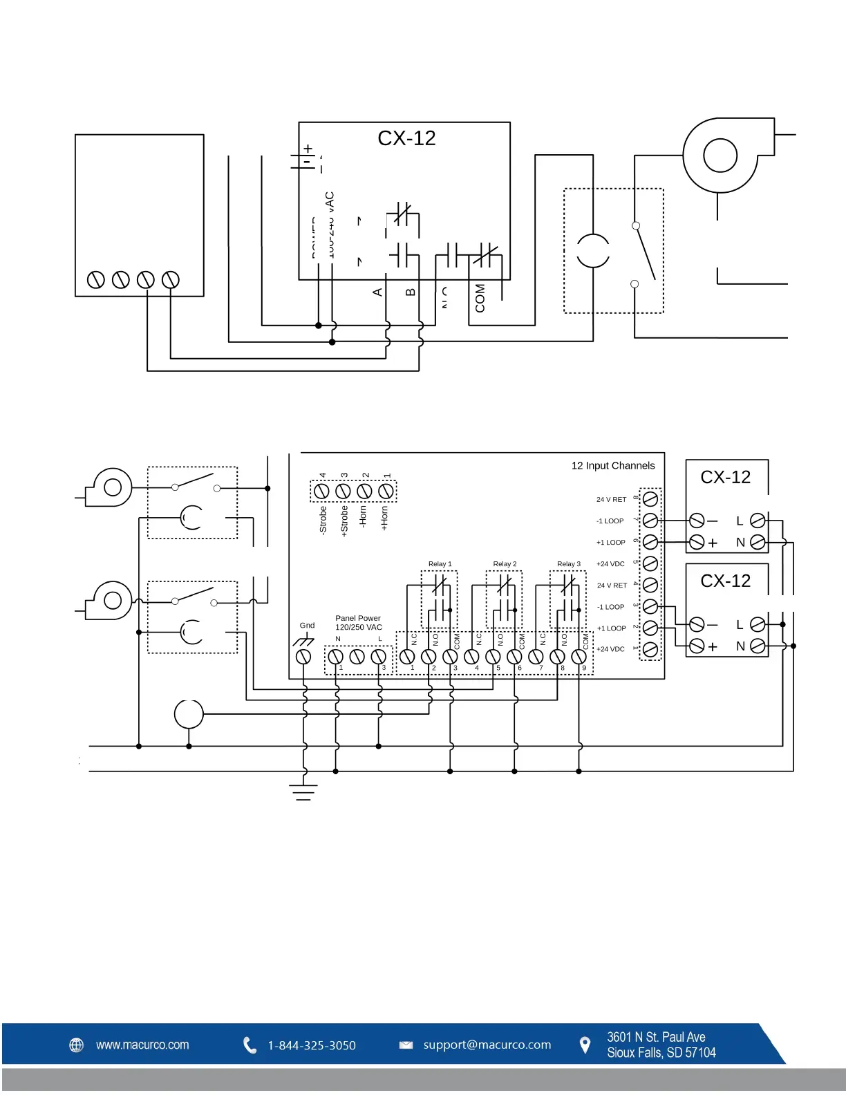
Figura 3–15 Serie 12 - Panel de control de alarma
Figura 3–16 Serie 12 - Panel de control DVP-120
Ventilador de extracción
Alimentación principal
de
ventiladores
Bobina
Bobina
ALARMA
120 V CA
Alimentación 120 V CA
BOBINAS RELÉS DE
ARRANCADOR 120 V CA
PANEL DE DETECCIÓN Y
CONTROL DE VENTILACIÓN
MACURCO™ DVP
-120
Alimentación
Alimentación
Salida
Salida
Lazo de
4-20 mA
ALIMENTACIÓN
RELÉ DE
ALARMA
RELÉ DE
VENTILADOR
SPDT
NC
NA
NC
NA
Panel de control de
alarmas
Funciones
auxiliares, como
marcadores
Circuitos
iniciadores NA
o NC
Ventilador de extracción
ALIMENTACIÓN
PRINCIPAL
Alimentación principal
de ventiladores
Bobina
Bobina relé
110 V CA

Table of Contents

Related product manuals