EasyManua.ls Logo

Maggi BIG 800 - Hoofdstuk 5 - Schakelschema; Monofase Motor - Motorbeveiligingsdoos

Maggi BIG 800
185 pages
Print Icon
To Next Page IconTo Next Page
To Next Page IconTo Next Page
To Previous Page IconTo Previous Page
To Previous Page IconTo Previous Page
Loading...
128
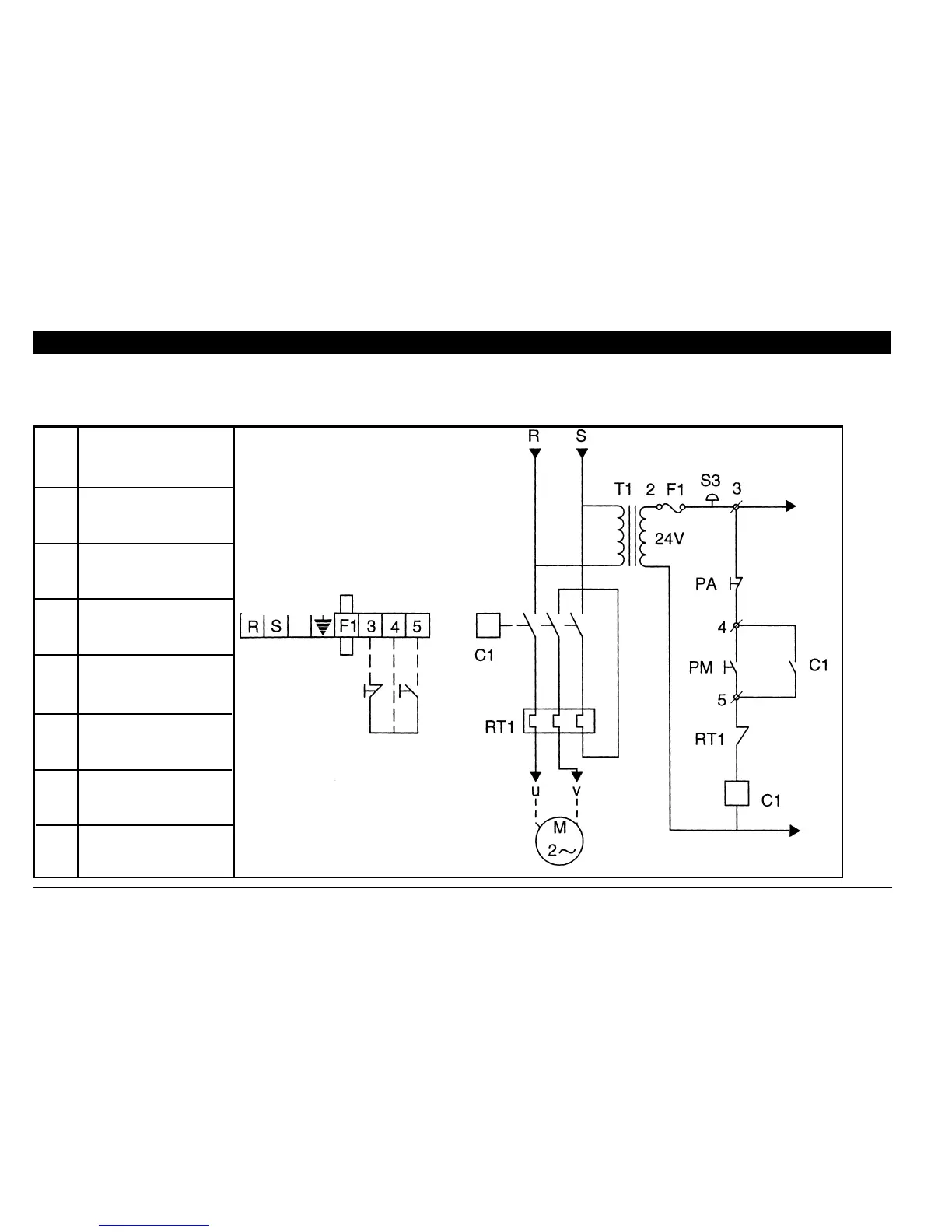
HOOFDSTUK 5 - SCHAKELSCHEMA
5-1 MONOFASE MOTOR MOTORBEVEILIGINGSDOOS
Noodknop
Stopknop
Startknop
Contactor
Thermisch relais
Transformator
Zekering
Motor
S3
PA
PM
C1
RT1
T1
F1
M
LIJN
Klemmenblok
Motorbeveiligingsdoos

Table of Contents

Related product manuals