EasyManua.ls Logo

Maggi BIG 800 - Capitolo 5 - Schema Elettrico; Motore Monofase - Scatola Salva Motore

Maggi BIG 800
185 pages
Print Icon
To Next Page IconTo Next Page
To Next Page IconTo Next Page
To Previous Page IconTo Previous Page
To Previous Page IconTo Previous Page
Loading...
76
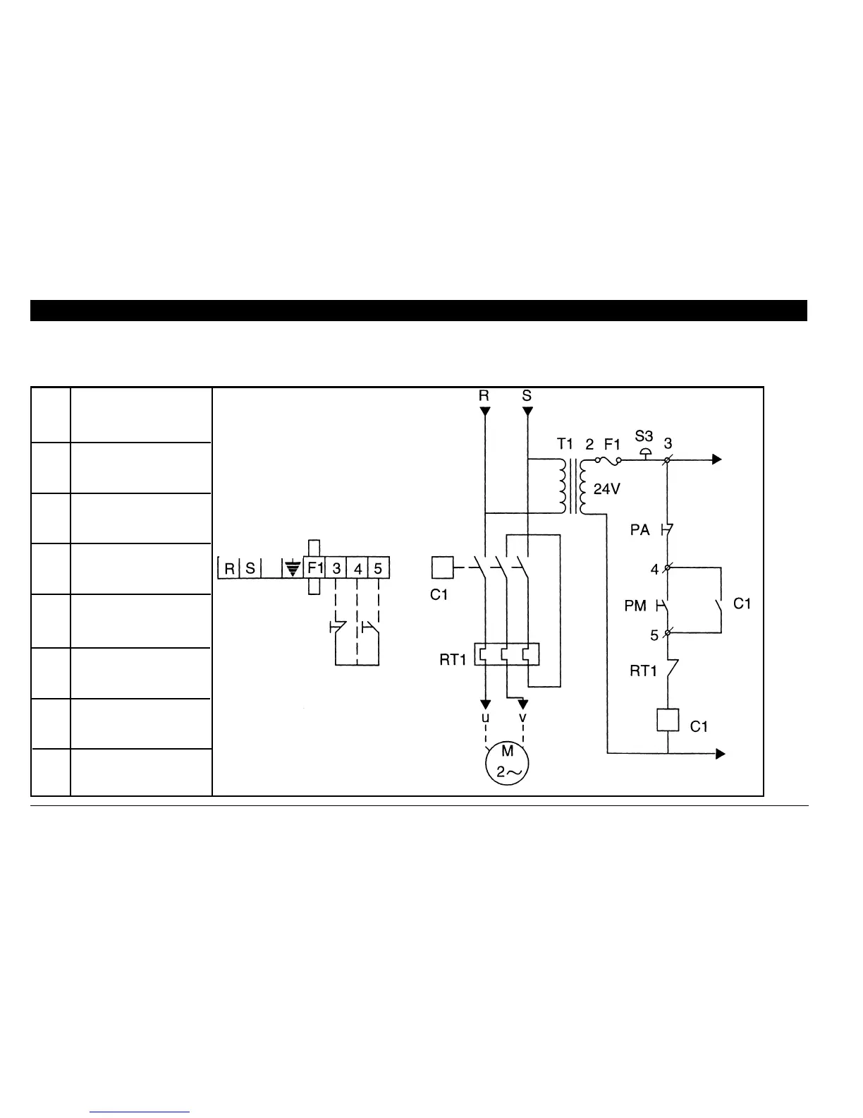
CAPITOLO 5 - SCHEMA ELETTRICO
5-1 MOTORE MONOFASE - SCATOLA SALVA MOTORE
Pulsante emergenza
Pulsante arresto
Pulsante marcia
Contattore
Relé termico
Trasformatore
Fusibile
Motore
S3
PA
PM
C1
RT1
T1
F1
M
LINEA
Morsettiera
Scatola salva motore

Table of Contents

Related product manuals