EasyManua.ls Logo

Marantz 4300 - Technical Description

Marantz 4300
22 pages
Print Icon
To Next Page IconTo Next Page
To Next Page IconTo Next Page
To Previous Page IconTo Previous Page
To Previous Page IconTo Previous Page
Loading...
r
..
fJlON1
£NOIPIOCI
>-
~
>--
~ll>-
~[j
~go------'
~ei
Ho-----I
LOOl-O--
.......
10
SO
""""0'
I
lYOD(l
SQA
II
orr"'"
.....
-
"".-
SA»{.u
CH
1
DU
"".-
$.AM(
oUCWI
Dt>
"".-
$MIlE
AS
Clt
I
DU
r------
-----------------
..
--,
I ,
HooQQQQo6-o
'rt
i
.-,
,r-
, II
_~
I
Lt
r
:.....------
...
-----.----
J
~
Jl(ClMI.
r--
--
----
---
-------
--_.
-
-----,
r---<H<~:
I
P\AT9ACI<
'
"-~)'T!<>----,
r!
'-"
'-"
'-"
Y '-"_'-" '-"
Y'-"
!
~---_._---------------------~
osc
~
llOLll'f
~
SWITCH
rTlTI:$TCH
SWlrCH
,
I
~
~
$WIIOt
""rOt
II
,
,
I
.
.....
~
k§-
-
~$WIICl<
$WIle
..
II
"
__
L..-----l
TAr( .....
2'
L
'tllo'
..,..,.-
.I.e..
'"
'<""'fj).-------
""'"
r
co.uAl"
.1.,'
:@------t-n~lL
__
./
!I~ll"
1/
..
I
....
, _i'jI-
..1
l::noo,
lr1;f»..-----J
Of
....
~D------....J
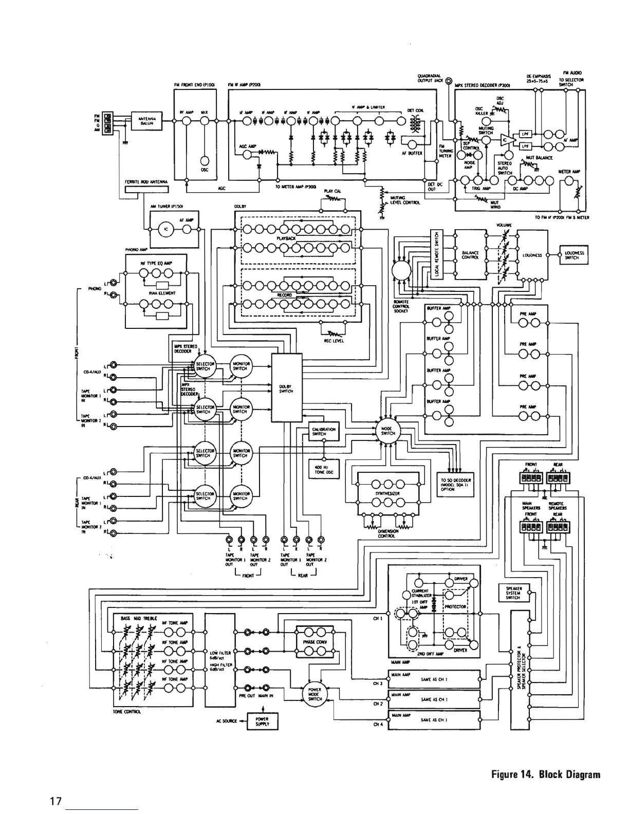
Figure
14.
Block
Diagram
17

Table of Contents

Related product manuals