EasyManua.ls Logo

Marantz SR 8015 - Page 196

Marantz SR 8015
220 pages
Print Icon
To Next Page IconTo Next Page
To Next Page IconTo Next Page
To Previous Page IconTo Previous Page
To Previous Page IconTo Previous Page
Loading...
g.A17a
I2S/DSD_HDMIRX
INPUT
SPDIF_HDMIRX
INPUT
I2S_HDMITX
OUTPUT
COAX1
COAX2
OPT1
OPT2
SPDIF_Z2HDMI
INPUT
ADIN_FL
INPUT
ADIN_FR
INPUT
Z2DA_L
OUTPUT
Z2DA_R
OUTPUT
Z3DA_L
OUTPUT
Z3DA_R
OUTPUT
1 2
1 2
1 2
1 2
7
6
5
7
6
5
7
6
5
7
6
5
1
3
2
1
3
2
1
3
2
1
3
2
1
3
2
7
6
5
1
3
2
7
6
5
1
3
2
7
6
5
1
2
3
NET_Video
OUTPUT
1
2
3
DistAD_L
INPUT
DistAD_R
INPUT
DMIX_R
OUTPUT
DMIX_L
OUTPUT
7
6
5
1
3
2
DA_SW2
OUTPUT
DA_H3L
OUTPUT
DA_H1L
OUTPUT
DA_RSV
OUTPUT
DA_FL
OUTPUT
DA_H1R
OUTPUT
DA_SL
OUTPUT
DA_FR
OUTPUT
DA_H3R
OUTPUT
DA_H2L
OUTPUT
DA_SR
OUTPUT
DA_C
OUTPUT
DA_H2R
OUTPUT
DA_SBL
OUTPUT
DA_SW1
OUTPUT
DA_SBR
OUTPUT
1 2
1
2
3
1
2
3
Z2_SPDIF
Z3_SPDIF
I2S/DSD_HDMIRX
I2S_HDMIRX
DSD_HDMIRX
I2S_NET
OPT2
OPT1
COAX2
CLK
DIR_I2S
NET_Video
I2S_NET
CLK
Z2_SPDIF
Z3_SPDIF
CLK
SPDIF_HDMIRX
SPDIF_HDMIRX
SPDIF_Z2HDMI
Z2DAC_MUTE
Z3DAC_MUTE
ADC_I2S
Z3DIR_ERROR
Z2DIR_ERROR
Z3DAC_I2S
I2S_NET
Z2DAC_I2S
Z3DAC_I2S
Z2DIR_I2S
COAX1
I2S_HDMITX
D.MIX_I2S
I2S_HDMITX
PLLOUT
REFCLK
Distribution_I2S
Distribution_I2S
Distribution_CLK
ADC_I2S
ZONE3
Mute Logic
1/2
Div.
1/4
Div.
1st DSP
ADSP-21573 ADSP-21573
2nd DSP
Main ZONE
Mute Logic
Jitter Reducer PLL
CS2100
Main DIR
PCM9211
LC89091JA
ZONE2 DIR
LC89091JA
ZONE3 DIR
DSP1 INPUT MUX
MAIN ADC
AK5358B
ZONE2 DAC
PCM5100
ZONE3 DAC
PCM5100
Audio PLD
5M570ZF256C5N
DSP2 INPUT MUX
DAC INPUT MUX
DDR3
FLASH
DDR3
FLASH
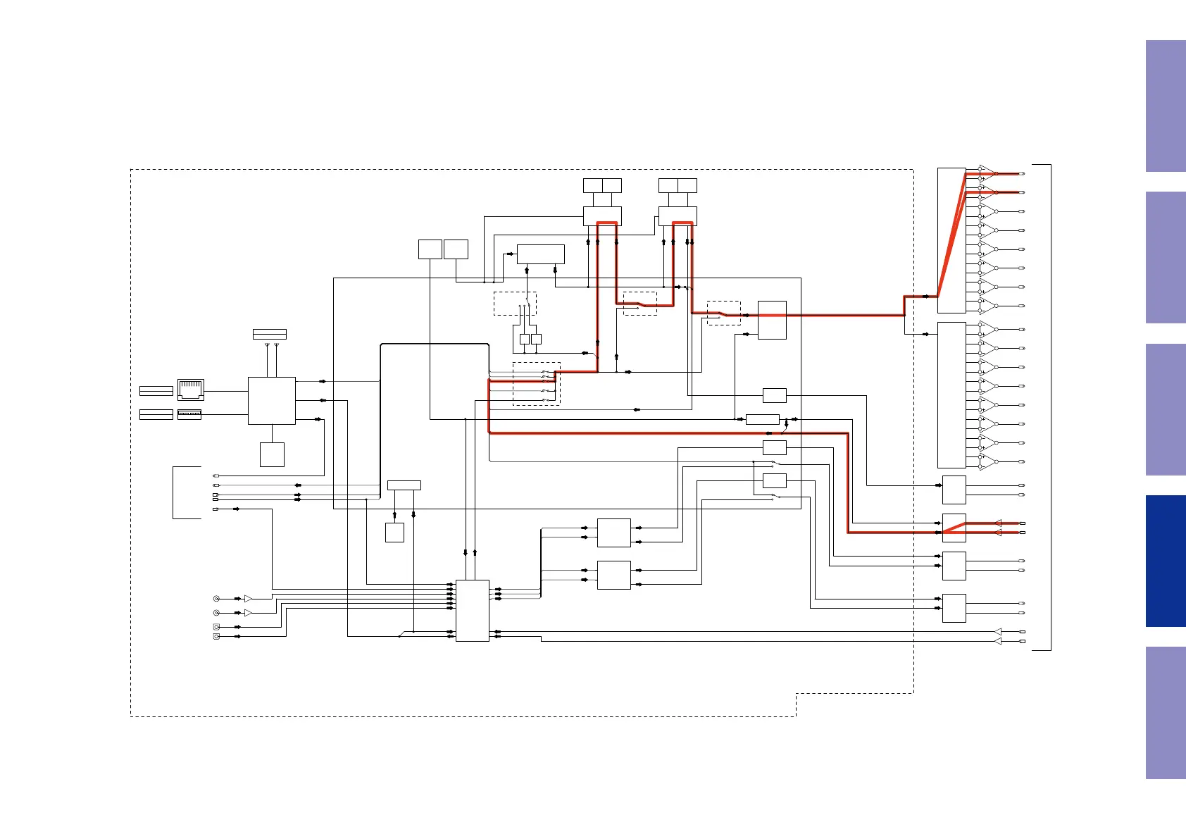
AVR-X6700/SR8015 DIGITAL AUDIO/NETWORK BLOCK DIRAGRAM
fs Assign Sel.
25.0MHz
FCXO-05
to VIDEO BLOCK
to ANALOG AUDIO BLOCK DIAGRAM
DIGITAL AUDIO BLOCK
Input
Coprocessor
Wired Network
Wireless Network
Apple
USB-A
(FRONT)
Netowrk Module
Input
HOST
FCXO-05
DSP_MCK
DSP_MCK
ADC_CLK
ADC_I2S
DistAD_L
DistAD_R
DistAD_L
DistAD_R
22.5792M
D.MIX DAC
PCM5100
AK4458
MAIN DAC1
MainADC
Clock Generator
AK4458
MAIN DAC2
ZONE2
Mute Logic
FCXO-05
24.576MHz
Distribution ADC
Clock Generator
Mute Logic
D.Mix
DATA
I2S_NET
DATA
D.Mix_I2S
Multi-ch_I2S
196
Before Servicing
This Unit
Electrical Mechanical Repair Information Updating

Related product manuals